Manufacturers since 1958
Ruedas Alex

415 SERIES-415 TW0128

See comparative
Code: TW0128

Polypropylene castors especially indicated to support high-loads up to 30 Kg.

It is used in: display stands, furniture, clothes racks, display cabinets and displays.

TWIN-LEX 415: undeformable. Easy to move.

Components

Brackets

Pressed steel bracket.Finish: glossy zinc plating.Fitting: plate.Wheel Bearings: Plain bearing.A single row of balls.

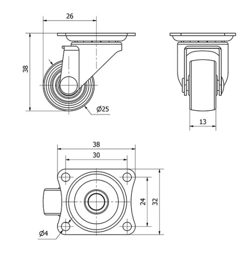
Technical Data TW0128

EAN:
8422202001289
Housing Type:
Swivel
Fitting Type:
Plate
Braking System:
Without Brake
Material:
Plastic Polypropylene
Bearing:
Plain
Diameter (mm):
25
Width of tyre (mm):
12
Plate dimensions (mm):
38x32
Distance between holes (mm):
30x24
Plate hole diameter (mm):
4
Offset (mm):
26
Overall height (mm):
38
Load:
10
Unit Weight of the wheel (kg):
0,03
Volume (cm3):
50,4
Technical Data TW0128

Private area

Regístrate
Download in 3D formats
Download in 2D formats
DWG
Download PDF
PDF
Price
--

Similar products

Contact

Contact us

Send us the following form and we will contact you to answer your question.

Contact information:
Email: info@alex.es
Phone: (+34) 974 035 345
Opening hours:
Monday to Friday: 8-14h / 15-18h
Saturday and Sunday: Closed
Responsable: Ruedas Alex, S.L.U, siendo la Finalidad: gestionar el contacto entre cualquier interesado y nuestros servicios de atención. La Legitimación: es gracias a tu consentimiento. Destinatarios: no se comunicarán los datos personales a ningún tercero. Podrás efercer Tus Derechos de Acceso, Rectificación, Supresión, Limitación, Oposición y Portabilidad en rgpd@alex.es. Para más información consulte la Política de Privacidad.

Keep informed about all news, offers and promotions we have for you.