Manufacturers since 1958
Ruedas Alex

GT SERIES-TA 4-0382

See comparative
Code: 4-0382

Steel castors, especially indicated to support high-loads up to 1.270 Kg.

It is used in: logistics transport tools, furnaces standing high temperatures (-40º to +300º) and heavy machinery for the construction sector.

Mainly used in the railway sector and automobile factories.

TA: very tough work conditions where the existence of cutting objects, chemical products or high temperatures would destroy other kind of castors. Heavy duty.

For temperatures above 200ºC, load (Kg) should be reduced by 40%.

Components

Brackets

Forged kingpinless castor made of steel up to 8 mm.Painted black.Swivel head contains hard steel balls designed to withstand radial and lateral efforts.Totally sealed swivel head with grease nipple.Manufactured to European standard EN 12532/12533.

Wheel

Cast iron wheel
Temperature range: -40º ÷ +300º
Rolling Resistence Excelent
Noise during the march Sufficient
Floor Protection Sufficient

Technical Data 4-0382

EAN:
8422202403823
Housing Type:
Swivel
Fitting Type:
Plate
Braking System:
Without Brake
Material:
Cast Iron
Bearing:
Ball
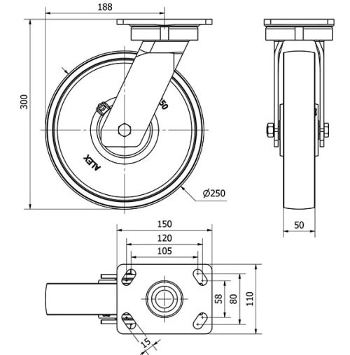
Diameter (mm):
250
Width of tyre (mm):
50
Plate dimensions (mm):
150x110
Distance between holes (mm):
105x80
Plate hole diameter (mm):
12
Offset (mm):
188
Overall height (mm):
300
Load:
1250
Unit Weight of the wheel (kg):
10,74
Volume (cm3):
8679
Technical Data 4-0382

Private area

Regístrate
Download in 3D formats
Download in 2D formats
DWG
Download PDF
PDF
Price
--

Similar products

Contact

Contact us

Send us the following form and we will contact you to answer your question.

Contact information:
Email: info@alex.es
Phone: (+34) 974 035 345
Opening hours:
Monday to Friday: 8-14h / 15-18h
Saturday and Sunday: Closed
Responsable: Ruedas Alex, S.L.U, siendo la Finalidad: gestionar el contacto entre cualquier interesado y nuestros servicios de atención. La Legitimación: es gracias a tu consentimiento. Destinatarios: no se comunicarán los datos personales a ningún tercero. Podrás efercer Tus Derechos de Acceso, Rectificación, Supresión, Limitación, Oposición y Portabilidad en rgpd@alex.es. Para más información consulte la Política de Privacidad.

Keep informed about all news, offers and promotions we have for you.