Manufacturers since 1958
Ruedas Alex

HLG SERIES-HG 2-3807

See comparative
Code: 2-3807

Double castor with steel centre and black rubber tyre. Especially indicated to support high-loads up to 1.400 Kg.

It is used in: logistics transport tools, mobile platforms, heavy loads transport cranes and elevating platforms.

Mainly used in the aeronautic sector, railway and automobile factories.

HG: Castors suitable for mechanic traction. High floor protection. Smooth and noiseless tread (elevating driven carts, trailers...). Industry in general.

Components

Brackets

Heavy fabricated castors made of welded steel up to 8 mm. Painted black. Combination of thrust ball bearing and tapered roller bearing in the swivel head: the upper for axial eff orts and the lower for radial efforts. Totally sealed swivel head, grease nipples on the swivel head and wheel. Manufactured to European standard EN 12532/12533.

Wheel

Rubber tyre on cast iron centre with grease nipple
Temperature range: -20º ÷ +60º
Rolling Resistence Reasonable
Noise during the march Excelent
Floor Protection Excelent

Technical Data 2-3807

EAN:
8422202238074
Housing Type:
Swivel
Fitting Type:
Plate
Braking System:
Wheel Brake And Fork
Material:
Rubber
Low Temperature (ºC):
-20
Maximum Temperature (ºC):
60
Bearing:
Ball
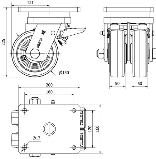
Diameter (mm):
150
Width of tyre (mm):
50x2
Plate dimensions (mm):
200x160
Distance between holes (mm):
160x120
Plate hole diameter (mm):
12
Offset (mm):
121
Overall height (mm):
225
Load:
800
Volume (cm3):
7956
Technical Data 2-3807

Private area

Regístrate
Download in 3D formats
Download in 2D formats
DWG
Download PDF
PDF
Price
--

Similar products

Contact

Contact us

Send us the following form and we will contact you to answer your question.

Contact information:
Email: info@alex.es
Phone: (+34) 974 035 345
Opening hours:
Monday to Friday: 8-14h / 15-18h
Saturday and Sunday: Closed
Responsable: Ruedas Alex, S.L.U, siendo la Finalidad: gestionar el contacto entre cualquier interesado y nuestros servicios de atención. La Legitimación: es gracias a tu consentimiento. Destinatarios: no se comunicarán los datos personales a ningún tercero. Podrás efercer Tus Derechos de Acceso, Rectificación, Supresión, Limitación, Oposición y Portabilidad en rgpd@alex.es. Para más información consulte la Política de Privacidad.

Keep informed about all news, offers and promotions we have for you.