Manufacturers since 1958
Ruedas Alex

GT SERIES-FT 4-0145

See comparative
Code: 4-0145

Castors with reinforced nylon, especially indicated to support high-loads up to 1.250 Kg.

It is used in: logistics transport tools, outdoor areas, internal logistics, movile platforms, elevating platforms, transport carts, logistics for military missions material, heavy machinery for the construction sector and mobile cranes.

Mainly used in the aeronautic sector, railway and automobile factories. Used in clean rooms.

FT: especially indicated for food and chemical industry applications. Does not leave marks on floor. Reinforced. Canning factories.

Components

Brackets

Forged kingpinless castor made of steel up to 8 mm.Painted black.Swivel head contains hard steel balls designed to withstand radial and lateral efforts.Totally sealed swivel head with grease nipple.Manufactured to European standard EN 12532/12533.

Wheel

Reinforced nylon (Polyamid 6) wheel, white colour
Temperature range: -30º ÷ +80º
Rolling Resistence Excelent
Noise during the march Reasonable
Floor Protection Reasonable

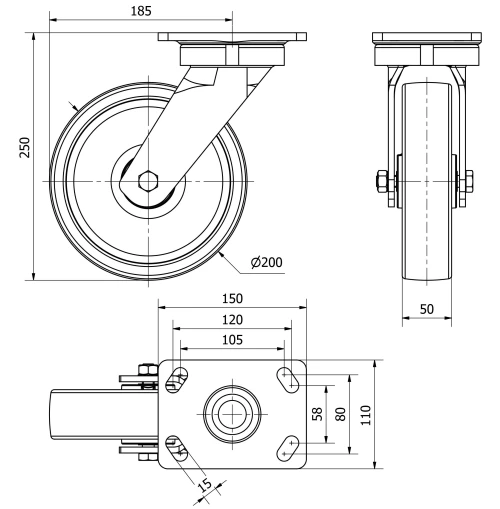
Technical Data 4-0145

EAN:
8422202401454
Housing Type:
Swivel
Fitting Type:
Plate
Braking System:
Without Brake
Material:
Nylon(Polyamide 6)
Bearing:
Plain
Diameter (mm):
200
Width of tyre (mm):
50
Plate dimensions (mm):
150x110
Distance between holes (mm):
105x80
Plate hole diameter (mm):
12
Offset (mm):
185
Overall height (mm):
250
Load:
1000
Unit Weight of the wheel (kg):
3,625
Volume (cm3):
7150
Technical Data 4-0145

Private area

Regístrate
Download in 3D formats
Download in 2D formats
DWG
Download PDF
PDF
Price
--

Similar products

Contact

Contact us

Send us the following form and we will contact you to answer your question.

Contact information:
Email: info@alex.es
Phone: (+34) 974 035 345
Opening hours:
Monday to Friday: 8-14h / 15-18h
Saturday and Sunday: Closed
Responsable: Ruedas Alex, S.L.U, siendo la Finalidad: gestionar el contacto entre cualquier interesado y nuestros servicios de atención. La Legitimación: es gracias a tu consentimiento. Destinatarios: no se comunicarán los datos personales a ningún tercero. Podrás efercer Tus Derechos de Acceso, Rectificación, Supresión, Limitación, Oposición y Portabilidad en rgpd@alex.es. Para más información consulte la Política de Privacidad.

Keep informed about all news, offers and promotions we have for you.