Manufacturers since 1958
Ruedas Alex

HLG SERIES-TA 2-3838

See comparative
Code: 2-3838

Steel double castors, especially indicated to support high-loads up to 2.700 Kg.

It is used in: logistics transport tools, transport carts for the mining industry, furnaces standing high temperatures (-90º to +600º), cranes transporting heavy materials and elevating platforms.

Mainly used in the aeronautic sector, construction sector, public services, railway and automobile factories.

TA: tough work conditions where the existence of cutting objects, chemical products or high temperatures could destroy other kind of castors. Heavy duty.

For temperatures above 200ºC, load (Kg) should be reduced by 40%.

Components

Brackets

Heavy fabricated castors made of welded steel up to 8 mm. Painted black. Combination of thrust ball bearing and tapered roller bearing in the swivel head: the upper for axial eff orts and the lower for radial efforts. Totally sealed swivel head, grease nipples on the swivel head and wheel. Manufactured to European standard EN 12532/12533.

Wheel

Cast iron wheel
Temperature range: -40º ÷ +300º
Rolling Resistence Excelent
Noise during the march Sufficient
Floor Protection Sufficient

Technical Data 2-3838

EAN:
8422202238388
Housing Type:
Swivel
Fitting Type:
Plate
Braking System:
Directional Lock
Material:
Cast Iron
Bearing:
Plain
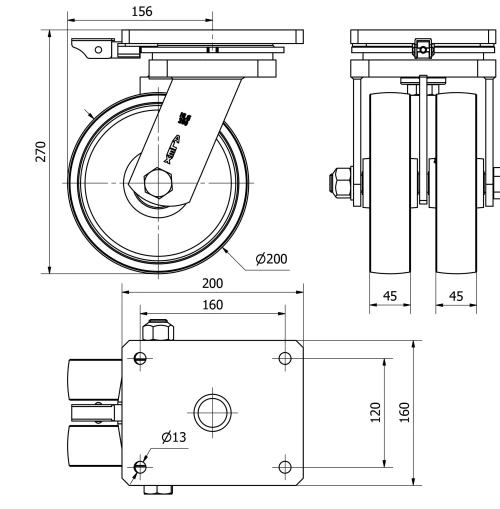
Diameter (mm):
200
Width of tyre (mm):
45x2
Plate dimensions (mm):
200x160
Distance between holes (mm):
160x120
Plate hole diameter (mm):
12
Offset (mm):
156
Overall height (mm):
270
Load:
2000
Unit Weight of the wheel (kg):
19,135
Volume (cm3):
11059
Technical Data 2-3838

Private area

Regístrate
Download in 3D formats
Download in 2D formats
DWG
Download PDF
PDF
Price
--

Similar products

Contact

Contact us

Send us the following form and we will contact you to answer your question.

Contact information:
Email: info@alex.es
Phone: (+34) 974 035 345
Opening hours:
Monday to Friday: 8-14h / 15-18h
Saturday and Sunday: Closed
Responsable: Ruedas Alex, S.L.U, siendo la Finalidad: gestionar el contacto entre cualquier interesado y nuestros servicios de atención. La Legitimación: es gracias a tu consentimiento. Destinatarios: no se comunicarán los datos personales a ningún tercero. Podrás efercer Tus Derechos de Acceso, Rectificación, Supresión, Limitación, Oposición y Portabilidad en rgpd@alex.es. Para más información consulte la Política de Privacidad.

Keep informed about all news, offers and promotions we have for you.