Manufacturers since 1958
Ruedas Alex

HLSB SERIES-AUAB 2-4055

See comparative
Code: 2-4055

Castors with aluminum centre and cast polyurethane tyre with a hardness of 95º Shore A, with a ball-shaped tread tyre, especially indicated to support high-loads up to 800 Kg. using a bracket with highly resistant spring loaded suspension to absorb impacts, collisions and uneven floors. Elastic behaviour of the spring up to 25mm, ideal in uneven surfaces due to its shock absorption. It is used in: logistics transport tools, outdoor areas, internal logistics, mobile platforms, elevating platforms, transport carts, logistics for military missions material, heavy machinery in the construction sector and mobile cranes. Mainly used in the aeronautic sector, railway and automobile factories.

AUAB: Easy to use. High absorption to impacts. Unfavourable flooring surfaces conditions. Rough surfaces, broken, with metallic shavings, oil stains, broken glass, grease and gravel. Low turning resistance and easier rolling.

Components

Brackets

Made of welded steel up to 8mm. thickness. Black paint finish. Bracket with highly resistant spring loaded suspension. Spring travel up to 25mm for a load of 200kg. Especially designed to absorb impacts, collisions and uneven surfaces. Manufactured according to European Standards EN12532/12533

Wheel

Rolling Resistence Excelent
Noise during the march Good
Floor Protection Good

Technical Data 2-4055

EAN:
8422202240558
Housing Type:
Swivel
Fitting Type:
Plate
Braking System:
Wheel Brake
Material:
Polyurethane
Low Temperature (ºC):
-20
Maximum Temperature (ºC):
80
Hardness of tread:
95º SHORE A
Bearing:
Ball
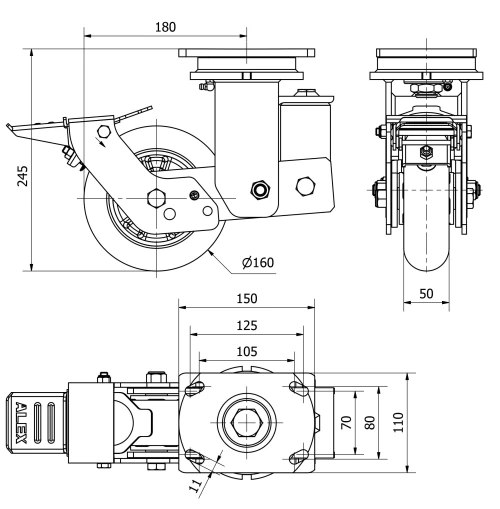
Diameter (mm):
160
Width of tyre (mm):
50
Plate dimensions (mm):
150x110
Distance between holes (mm):
105x80
Plate hole diameter (mm):
10
Offset (mm):
180
Overall height (mm):
245
Load:
600
Unit Weight of the wheel (kg):
9180
Technical Data 2-4055

Private area

Regístrate
Download in 3D formats
Download in 2D formats
DWG
Download PDF
PDF
Price
--

Similar products

Contact

Contact us

Send us the following form and we will contact you to answer your question.

Contact information:
Email: info@alex.es
Phone: (+34) 974 035 345
Opening hours:
Monday to Friday: 8-14h / 15-18h
Saturday and Sunday: Closed
Responsable: Ruedas Alex, S.L.U, siendo la Finalidad: gestionar el contacto entre cualquier interesado y nuestros servicios de atención. La Legitimación: es gracias a tu consentimiento. Destinatarios: no se comunicarán los datos personales a ningún tercero. Podrás efercer Tus Derechos de Acceso, Rectificación, Supresión, Limitación, Oposición y Portabilidad en rgpd@alex.es. Para más información consulte la Política de Privacidad.

Keep informed about all news, offers and promotions we have for you.