Manufacturers since 1958
Ruedas Alex

KV SERIES-TA 4-0428

See comparative
Code: 4-0428

Steel castors, especially indicated to support high-loads up to 1.350 Kg.

It is used in: logistics transport tools, furnaces standing high temperatures (-40º to +300º) and heavy machinery for the construction sector.

Mainly used in railway and automobile factories.

TA: very tough work conditions where the existence of cutting objects, chemical products or high temperatures would destroy other kind of castors. Heavy duty.

Components

Brackets

Fabricated castor made of cast iron up to 10 mm with a forged kingpin.Painted black.Combination of precision thrust bearing and tapered roller bearing in the swivel head.Totally sealed swivel head with grease nipple on the swivel head and wheel.Manufactured to European standard EN 12532/12533.

Wheel

Cast iron wheel
Temperature range: -40º ÷ +300º
Rolling Resistence Excelent
Noise during the march Sufficient
Floor Protection Sufficient

Technical Data 4-0428

EAN:
8422202404288
Housing Type:
Swivel
Fitting Type:
Plate
Braking System:
Without Brake
Material:
Cast Iron
Bearing:
Ball
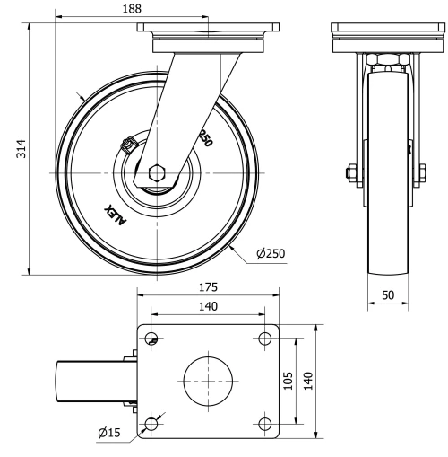
Diameter (mm):
250
Width of tyre (mm):
50
Plate dimensions (mm):
175x140
Distance between holes (mm):
140x105
Plate hole diameter (mm):
14
Offset (mm):
188
Overall height (mm):
314
Load:
1350
Unit Weight of the wheel (kg):
11
Volume (cm3):
12111
Technical Data 4-0428

Private area

Regístrate
Download in 3D formats
Download in 2D formats
DWG
Download PDF
PDF
Price
--

Similar products

Contact

Contact us

Send us the following form and we will contact you to answer your question.

Contact information:
Email: info@alex.es
Phone: (+34) 974 035 345
Opening hours:
Monday to Friday: 8-14h / 15-18h
Saturday and Sunday: Closed
Responsable: Ruedas Alex, S.L.U, siendo la Finalidad: gestionar el contacto entre cualquier interesado y nuestros servicios de atención. La Legitimación: es gracias a tu consentimiento. Destinatarios: no se comunicarán los datos personales a ningún tercero. Podrás efercer Tus Derechos de Acceso, Rectificación, Supresión, Limitación, Oposición y Portabilidad en rgpd@alex.es. Para más información consulte la Política de Privacidad.

Keep informed about all news, offers and promotions we have for you.