Manufacturers since 1958
Ruedas Alex

310 SERIES-310 TW0080

See comparative
Code: TW0080

Grey injected rubber castors. Especially indicated to support high-loads up to 80 Kg.

It is used in: supermarkets, display stands, furniture, stackable boxes, stools, display cabinets, clothes racks, catering carts, hospital equipment, sanitary furniture and drips.

TWIN-LEX 310: does not scratch or leave marks on floor. Noiseless.

Components

Brackets

Pressed steel bracket. Finish: glossy zinc plating. Fitting: plate and bolt hole. Double ball bearing. Wheel Bearings: Plain bearing.

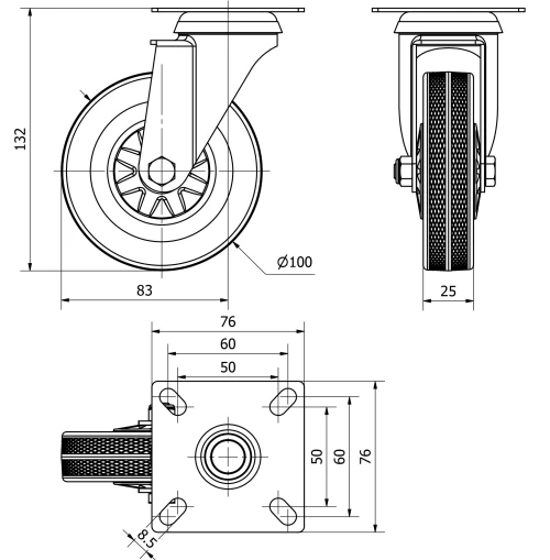
Technical Data TW0080

EAN:
8422202000800
Housing Type:
Swivel
Fitting Type:
Plate
Braking System:
Without Brake
Material:
Rubber
Bearing:
Plain
Diameter (mm):
100
Width of tyre (mm):
25
Plate dimensions (mm):
76x76
Distance between holes (mm):
60x60/50x50
Plate hole diameter (mm):
8
Offset (mm):
83
Overall height (mm):
130
Load:
60
Unit Weight of the wheel (kg):
0,583
Volume (cm3):
1195,48
Technical Data TW0080

Private area

Regístrate
Download in 3D formats
Download in 2D formats
DWG
Download PDF
PDF
Price
--

Similar products

Contact

Contact us

Send us the following form and we will contact you to answer your question.

Contact information:
Email: info@alex.es
Phone: (+34) 974 035 345
Opening hours:
Monday to Friday: 8-14h / 15-18h
Saturday and Sunday: Closed
Responsable: Ruedas Alex, S.L.U, siendo la Finalidad: gestionar el contacto entre cualquier interesado y nuestros servicios de atención. La Legitimación: es gracias a tu consentimiento. Destinatarios: no se comunicarán los datos personales a ningún tercero. Podrás efercer Tus Derechos de Acceso, Rectificación, Supresión, Limitación, Oposición y Portabilidad en rgpd@alex.es. Para más información consulte la Política de Privacidad.

Keep informed about all news, offers and promotions we have for you.