Manufacturers since 1958
Ruedas Alex

124 SERIES-124 TW0302

See comparative
Code: TW0302

Grey injected rubber castors with polypropylene centre. Especially indicated to support high-loads up to 110 Kg.

It is used in: logistics transport tools, food trolleys, kitchens, canteens, food industry, supermarkets, light machinery, paper containers, transport cages and roll containers.

Mainly used in the industrial sectors, food industry and construction machinery.

Suitable for mechanical engineering projects by draftsmen and project executors.

TWIN-LEX 124: does not leave marks on floor. Easy to move with load.

Components

Brackets

Manufactured with steel plate up to 4mmGlossy zinc platingDouble ball bearingUniversal model for medium duty loads

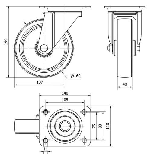
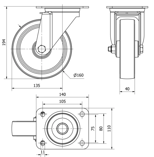
Technical Data TW0302

EAN:
8422202003023
Housing Type:
Swivel
Fitting Type:
Plate
Braking System:
Without Brake
Bearing:
Plain
Diameter (mm):
160
Width of tyre (mm):
40
Plate dimensions (mm):
135x114
Distance between holes (mm):
108x85/102x75
Plate hole diameter (mm):
10
Offset (mm):
124
Overall height (mm):
197
Load:
130
Unit Weight of the wheel (kg):
1,875
Technical Data TW0302

Private area

Regístrate
Download in 3D formats
Download in 2D formats
DWG
Download PDF
PDF
Price
--

Similar products

Contact

Contact us

Send us the following form and we will contact you to answer your question.

Contact information:
Email: info@alex.es
Phone: (+34) 974 035 345
Opening hours:
Monday to Friday: 8-14h / 15-18h
Saturday and Sunday: Closed
Responsable: Ruedas Alex, S.L.U, siendo la Finalidad: gestionar el contacto entre cualquier interesado y nuestros servicios de atención. La Legitimación: es gracias a tu consentimiento. Destinatarios: no se comunicarán los datos personales a ningún tercero. Podrás efercer Tus Derechos de Acceso, Rectificación, Supresión, Limitación, Oposición y Portabilidad en rgpd@alex.es. Para más información consulte la Política de Privacidad.

Keep informed about all news, offers and promotions we have for you.