Manufacturers since 1958
Ruedas Alex

601 SERIES-601 TW0158

See comparative
Code: TW0158

Grey injected rubber castors especially indicated to support high-loads up to 25 Kg.

It is used in: display stands, furniture, shelves, stools, clothes racks, catering carts, cabinetmaker's, stands, housekeeping carts, computer tables, small furniture, and bedside tables.

TWIN-LEX 601: does not scratch or leave marks on floor. Noiseless.

Components

Brackets

Made of pressed steel castor up to 2 mm. Finish: Glossy zinc-plating. One single ball bearing swivel head. Rubber wheels Ø 50 and 60 mm with threadguards. Manufactured to European standards EN 12528.

Technical Data TW0158

EAN:
8422202001586
Housing Type:
Swivel
Fitting Type:
Plate
Braking System:
Wheel Brake
Bearing:
Plain
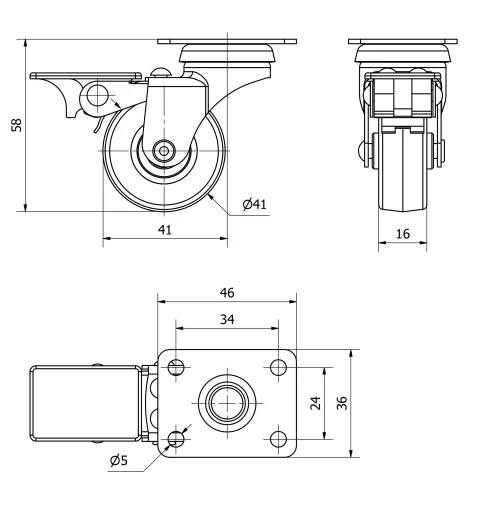
Diameter (mm):
40
Width of tyre (mm):
16
Plate dimensions (mm):
46x36
Distance between holes (mm):
34x24
Plate hole diameter (mm):
5
Offset (mm):
45
Overall height (mm):
58
Load:
17
Unit Weight of the wheel (kg):
0,105
Volume (cm3):
141,98
Technical Data TW0158

Private area

Regístrate
Download in 3D formats
Download in 2D formats
DWG
Download PDF
PDF
Price
--

Similar products

Contact

Contact us

Send us the following form and we will contact you to answer your question.

Contact information:
Email: info@alex.es
Phone: (+34) 974 035 345
Opening hours:
Monday to Friday: 8-14h / 15-18h
Saturday and Sunday: Closed
Responsable: Ruedas Alex, S.L.U, siendo la Finalidad: gestionar el contacto entre cualquier interesado y nuestros servicios de atención. La Legitimación: es gracias a tu consentimiento. Destinatarios: no se comunicarán los datos personales a ningún tercero. Podrás efercer Tus Derechos de Acceso, Rectificación, Supresión, Limitación, Oposición y Portabilidad en rgpd@alex.es. Para más información consulte la Política de Privacidad.

Keep informed about all news, offers and promotions we have for you.