Manufacturers since 1958
Ruedas Alex

SLR SERIES-TA 2-3688

See comparative
Code: 2-3688

Steel castors, especially indicated to support high-loads up to 1.000 Kg.

It is applied in furnaces that withstand high temperatures (-40° to +300°), heavy machinery in the construction sector.

It is used in: industrial sectors, automobile factories, food industry

TA: very tough work conditions where the existence of cutting objects, chemical products or high temperatures would destroy other kind of castors. Heavy duty.

For temperatures above 200ºC, load (Kg) should be reduced by 40%.

Components

Brackets

Made of forged steel up to 8 mm. Double swivel head. The upper one with large ball bearings and the lower one with precision bearings to facilitate rotation, radial and axial efforts. Model especially manufactured for use in large carts with mechanical drive, factory maintenance, metallurgical industries. White zinc finish Manufactured to European Standards EN 12532

Wheel

Cast iron wheel
Temperature range: -40º ÷ +300º
Rolling Resistence Excelent
Noise during the march Sufficient
Floor Protection Sufficient

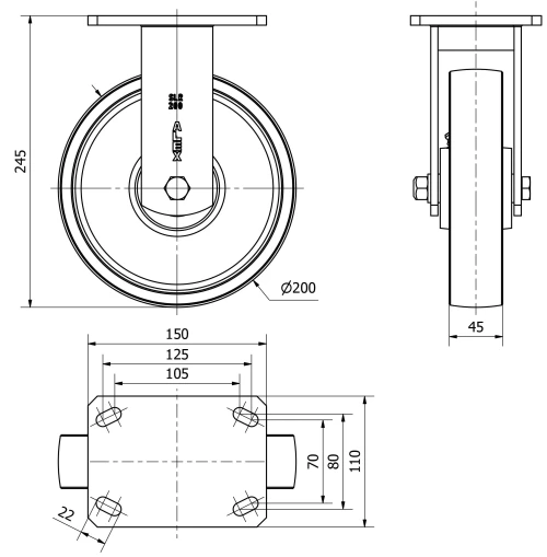
Technical Data 2-3688

EAN:
8422202236889
Housing Type:
Fixed
Fitting Type:
Plate
Braking System:
Without Brake
Material:
Cast Iron
Bearing:
Ball
Diameter (mm):
200
Width of tyre (mm):
45
Plate dimensions (mm):
150x110
Distance between holes (mm):
125x70/105x80
Plate hole diameter (mm):
10
Overall height (mm):
245
Load:
1000
Unit Weight of the wheel (kg):
6,885
Volume (cm3):
5390
Technical Data 2-3688

Private area

Regístrate
Download in 3D formats
Download in 2D formats
DWG
Download PDF
PDF
Price
--

Similar products

Contact

Contact us

Send us the following form and we will contact you to answer your question.

Contact information:
Email: info@alex.es
Phone: (+34) 974 035 345
Opening hours:
Monday to Friday: 8-14h / 15-18h
Saturday and Sunday: Closed
Responsable: Ruedas Alex, S.L.U, siendo la Finalidad: gestionar el contacto entre cualquier interesado y nuestros servicios de atención. La Legitimación: es gracias a tu consentimiento. Destinatarios: no se comunicarán los datos personales a ningún tercero. Podrás efercer Tus Derechos de Acceso, Rectificación, Supresión, Limitación, Oposición y Portabilidad en rgpd@alex.es. Para más información consulte la Política de Privacidad.

Keep informed about all news, offers and promotions we have for you.