Manufacturers since 1958
Ruedas Alex

SLR SERIES-HG 2-3643

See comparative
Code: 2-3643

Castors with steel centre and black rubber tyre, especially indicated to support high-loads uo to 600 Kg.

It is used in: logistics transport tools, repair shops, outdoor areas, carbody factories, mobile platfors, internal logistics, elevating platforms, transport carts, logistics for military missions material, heavy machinery for the construction sector, mobile cranes and boilers.

Mainly used in the industrial sector, aeronautic sector, railway and automobile factories.

Applied in mechanical engineering projects by draughtsmen and designers. Suitable for mechanical engineering projects by draftsmen and project executors.

HG: castor suitable for mechanical traction (elevating driven carts, trailers...) as well as manual. Industry in general. High floor. protection.

Components

Brackets

Made of forged steel up to 8 mm. Double swivel head. The upper one with large ball bearings and the lower one with precision bearings to facilitate rotation, radial and axial efforts. Model especially manufactured for use in large carts with mechanical drive, factory maintenance, metallurgical industries. White zinc finish Manufactured to European Standards EN 12532

Wheel

Rubber tyre on cast iron centre with grease nipple
Temperature range: -20º ÷ +60º
Rolling Resistence Reasonable
Noise during the march Excelent
Floor Protection Excelent

Technical Data 2-3643

EAN:
8422202236438
Housing Type:
Fixed
Fitting Type:
Plate
Braking System:
Without Brake
Material:
Rubber
Bearing:
Ball
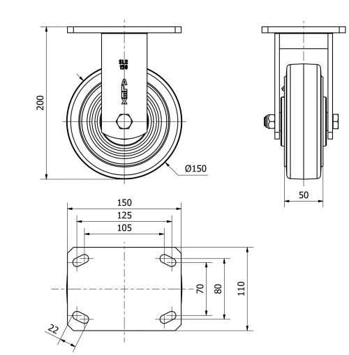
Diameter (mm):
150
Width of tyre (mm):
50
Plate dimensions (mm):
150x110
Distance between holes (mm):
125x70/105x80
Plate hole diameter (mm):
10
Overall height (mm):
200
Load:
400
Unit Weight of the wheel (kg):
4,68
Volume (cm3):
3300
Technical Data 2-3643

Private area

Regístrate
Download in 3D formats
Download in 2D formats
DWG
Download PDF
PDF
Price
--

Similar products

Contact

Contact us

Send us the following form and we will contact you to answer your question.

Contact information:
Email: info@alex.es
Phone: (+34) 974 035 345
Opening hours:
Monday to Friday: 8-14h / 15-18h
Saturday and Sunday: Closed
Responsable: Ruedas Alex, S.L.U, siendo la Finalidad: gestionar el contacto entre cualquier interesado y nuestros servicios de atención. La Legitimación: es gracias a tu consentimiento. Destinatarios: no se comunicarán los datos personales a ningún tercero. Podrás efercer Tus Derechos de Acceso, Rectificación, Supresión, Limitación, Oposición y Portabilidad en rgpd@alex.es. Para más información consulte la Política de Privacidad.

Keep informed about all news, offers and promotions we have for you.