Manufacturers since 1958
Ruedas Alex

SLR SERIES-PO 2-3650

See comparative
Code: 2-3650

Castors with white nylon centre and red polyurethane tyre with a hardness of 90º-95º Shore A. Especially indicated to support high-loads up to 600 Kg.

It is used in: logistics transport tools, outdoor areas, internal logistics, carbody factories, mobile platforms, elevating platforms, logistics for military missions material, heavy machinery, mobile cranes, elevating tables and boilers.

Mainly used in the aeronautic sector, railway and automobile factories and food industry.

Suitable for mechanical engineering projects by draftsmen and project executors.

PO: noiseless. Floor protection. Long useful life. Resistant to oils, grease and shavings.

Components

Brackets

Made of forged steel up to 8 mm. Double swivel head. The upper one with large ball bearings and the lower one with precision bearings to facilitate rotation, radial and axial efforts. Model especially manufactured for use in large carts with mechanical drive, factory maintenance, metallurgical industries. White zinc finish Manufactured to European Standards EN 12532

Wheel

Red polyurethane tyre on white polyamide centre.95º shore A
Temperature range: -25º ÷ +80º
Rolling Resistence Very Good
Noise during the march Very Good
Floor Protection Very Good

Technical Data 2-3650

EAN:
8422202236506
Housing Type:
Fixed
Fitting Type:
Plate
Braking System:
Without Brake
Material:
Polyurethane
Hardness of tread:
90-95º SHORE A
Bearing:
Ball
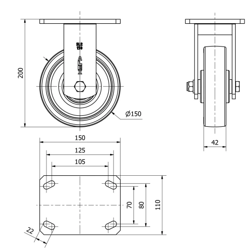
Diameter (mm):
150
Width of tyre (mm):
42
Plate dimensions (mm):
150x110
Distance between holes (mm):
125x70/105x80
Plate hole diameter (mm):
10
Overall height (mm):
200
Load:
450
Unit Weight of the wheel (kg):
2,845
Volume (cm3):
3300
Technical Data 2-3650

Private area

Regístrate
Download in 3D formats
Download in 2D formats
DWG
Download PDF
PDF
Price
--

Similar products

Contact

Contact us

Send us the following form and we will contact you to answer your question.

Contact information:
Email: info@alex.es
Phone: (+34) 974 035 345
Opening hours:
Monday to Friday: 8-14h / 15-18h
Saturday and Sunday: Closed
Responsable: Ruedas Alex, S.L.U, siendo la Finalidad: gestionar el contacto entre cualquier interesado y nuestros servicios de atención. La Legitimación: es gracias a tu consentimiento. Destinatarios: no se comunicarán los datos personales a ningún tercero. Podrás efercer Tus Derechos de Acceso, Rectificación, Supresión, Limitación, Oposición y Portabilidad en rgpd@alex.es. Para más información consulte la Política de Privacidad.

Keep informed about all news, offers and promotions we have for you.