Manufacturers since 1958
Ruedas Alex

TV SERIES-HG 2-2049

See comparative
Code: 2-2049

Castors with steel centre and black rubber tyre, especially indicated to support high-loads up to 600 Kg.

It is used in: logistics transport tools, repair shops, internal logistics, elevating platforms, sweeping machines, polishing machines and driven carts.

Mainly used in the industrial sector, aeronautic sector, railway and automobile factories.

Suitable for mechanical engineering projects by draftsmen and project executors

HG: castor suitable for mechanical traction (elevating driven carts, trailers...) as well as manual. Industry in general. Noiseless. Floor protection.

Components

Brackets

Manufactured with pressed steel up to 5 mm. Highly rust-resistant double-chrome coating. Double ball bearing reinforced with hardened ball races. Dust-proof in the sealing swivel head. Manufactured to European standard EN 12532.

Wheel

Rubber tyre on cast iron centre with grease nipple
Temperature range: -20º ÷ +60º
Rolling Resistence Reasonable
Noise during the march Excelent
Floor Protection Excelent

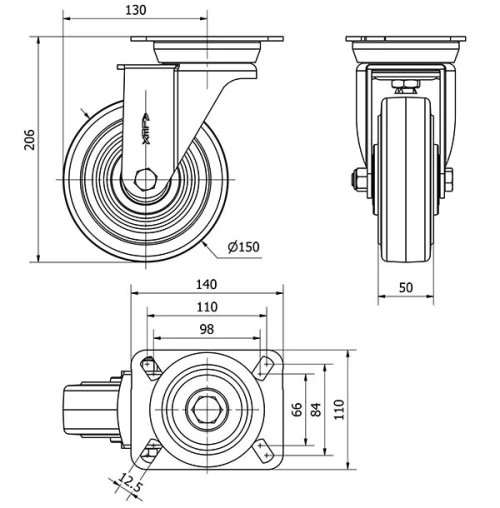
Technical Data 2-2049

EAN:
8422202220499
Housing Type:
Swivel
Fitting Type:
Plate
Braking System:
Without Brake
Material:
Rubber
Bearing:
Ball
Diameter (mm):
150
Width of tyre (mm):
50
Plate dimensions (mm):
139x110
Distance between holes (mm):
105x80
Plate hole diameter (mm):
10
Offset (mm):
130
Overall height (mm):
206
Load:
400
Unit Weight of the wheel (kg):
4,44
Volume (cm3):
4188
Technical Data 2-2049

Private area

Regístrate
Download in 3D formats
Download in 2D formats
DWG
Download PDF
PDF
Price
--

Similar products

Contact

Contact us

Send us the following form and we will contact you to answer your question.

Contact information:
Email: info@alex.es
Phone: (+34) 974 035 345
Opening hours:
Monday to Friday: 8-14h / 15-18h
Saturday and Sunday: Closed
Responsable: Ruedas Alex, S.L.U, siendo la Finalidad: gestionar el contacto entre cualquier interesado y nuestros servicios de atención. La Legitimación: es gracias a tu consentimiento. Destinatarios: no se comunicarán los datos personales a ningún tercero. Podrás efercer Tus Derechos de Acceso, Rectificación, Supresión, Limitación, Oposición y Portabilidad en rgpd@alex.es. Para más información consulte la Política de Privacidad.

Keep informed about all news, offers and promotions we have for you.