Manufacturers since 1958
Ruedas Alex

TV SERIES-TA 2-1630

See comparative
Code: 2-1630

Steel castors, especially indicated to support high-loads up to 800 Kg.

It is used in: industrial sectors, automobile factories, food industry and agricultural farms.

Suitable for mechanical engineering projects by draftsmen and project executors.

TA: very tough work conditions where the existence of cutting objects, chemical products or high temperatures would destroy other kind of castors. Heavy duty.

For temperatures above 200ºC, load (Kg) should be reduced by 40%.

Components

Brackets

Manufactured with pressed steel up to 5 mm. Highly rust-resistant double-chrome coating. Double ball bearing reinforced with hardened ball races. Dust-proof in the sealing swivel head. Manufactured to European standard EN 12532.

Wheel

Cast iron wheel
Temperature range: -40º ÷ +300º
Rolling Resistence Excelent
Noise during the march Sufficient
Floor Protection Sufficient

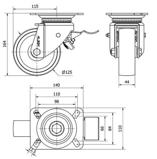
Technical Data 2-1630

EAN:
8422202216300
Housing Type:
Swivel
Fitting Type:
Plate
Braking System:
Wheel Brake And Fork
Material:
Cast Iron
Bearing:
Plain
Diameter (mm):
125
Width of tyre (mm):
44
Plate dimensions (mm):
139x110
Distance between holes (mm):
105x80
Plate hole diameter (mm):
10
Offset (mm):
115
Overall height (mm):
164
Load:
600
Unit Weight of the wheel (kg):
3,651
Volume (cm3):
4095
Technical Data 2-1630

Private area

Regístrate
Download in 3D formats
Download in 2D formats
DWG
Download PDF
PDF
Price
--

Similar products

Contact

Contact us

Send us the following form and we will contact you to answer your question.

Contact information:
Email: info@alex.es
Phone: (+34) 974 035 345
Opening hours:
Monday to Friday: 8-14h / 15-18h
Saturday and Sunday: Closed
Responsable: Ruedas Alex, S.L.U, siendo la Finalidad: gestionar el contacto entre cualquier interesado y nuestros servicios de atención. La Legitimación: es gracias a tu consentimiento. Destinatarios: no se comunicarán los datos personales a ningún tercero. Podrás efercer Tus Derechos de Acceso, Rectificación, Supresión, Limitación, Oposición y Portabilidad en rgpd@alex.es. Para más información consulte la Política de Privacidad.

Keep informed about all news, offers and promotions we have for you.