Manufacturers since 1958
Ruedas Alex

TV SERIES-TD 2-0014

See comparative
Code: 2-0014

Reinforced resine castors, especially indicated to stand high temperatures up to 200º and high-loads up to 700 Kg.

It is used in: furnaces and light machinery.

Mainly used in the industrial sector, aeronautic sector, automobile factories and food industry.

Suitable for mechanical engineering projects by draftsmen and project executors.

TD: reinforced resine castor. Indicated for industrial industry.

Components

Brackets

Manufactured with pressed steel up to 5 mm. Highly rust-resistant double-chrome coating. Double ball bearing reinforced with hardened ball races. Dust-proof in the sealing swivel head. Manufactured to European standard EN 12532.

Wheel

Resin wheel up to 200ºC when not in continuous use
Temperature range: -40º ÷ +200º
Rolling Resistence Very Good
Noise during the march Reasonable
Floor Protection Reasonable

Technical Data 2-0014

EAN:
8422202200149
Housing Type:
Swivel
Fitting Type:
Plate
Braking System:
Without Brake
Material:
Phenolic Resin Wheel
Bearing:
Plain
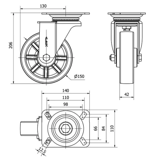
Diameter (mm):
150
Width of tyre (mm):
42
Plate dimensions (mm):
139x110
Distance between holes (mm):
105x80
Plate hole diameter (mm):
10
Offset (mm):
130
Overall height (mm):
206
Load:
700
Unit Weight of the wheel (kg):
2,55
Volume (cm3):
4188
Technical Data 2-0014

Private area

Regístrate
Download in 3D formats
Download in 2D formats
DWG
Download PDF
PDF
Price
--

Similar products

Contact

Contact us

Send us the following form and we will contact you to answer your question.

Contact information:
Email: info@alex.es
Phone: (+34) 974 035 345
Opening hours:
Monday to Friday: 8-14h / 15-18h
Saturday and Sunday: Closed
Responsable: Ruedas Alex, S.L.U, siendo la Finalidad: gestionar el contacto entre cualquier interesado y nuestros servicios de atención. La Legitimación: es gracias a tu consentimiento. Destinatarios: no se comunicarán los datos personales a ningún tercero. Podrás efercer Tus Derechos de Acceso, Rectificación, Supresión, Limitación, Oposición y Portabilidad en rgpd@alex.es. Para más información consulte la Política de Privacidad.

Keep informed about all news, offers and promotions we have for you.