Manufacturers since 1958
Ruedas Alex

TV SERIES-TN 2-0947

See comparative
Code: 2-0947

White nylon castors, especially indicated to suppor high-loads up to 600 Kg.

It is used in: internal logistics tools, tool trolleys, tubular carts, mobile platforms, transport tools, elevating platforms, food industry, repair shops, ladders, packaging machines, conveyor bels, containers, roll containers, transport cages and basketball hoops.

Mainly used in the industrial sector, aeronautic sector and automobile factories.

Suitable for mechanical engineering projects by draftsmen and project executors.

TN: robust and resistant. Undeformable, easy to move wiht high-loads. Does not leave marks on floor. Especially indicated for industial sectors.

Components

Brackets

Manufactured with pressed steel up to 5 mm. Highly rust-resistant double-chrome coating. Double ball bearing reinforced with hardened ball races. Dust-proof in the sealing swivel head. Manufactured to European standard EN 12532.

Wheel

White nylon ( Polyamide 6) wheel
Temperature range: -30º ÷ +80º
Rolling Resistence Excelent
Noise during the march Reasonable
Floor Protection Reasonable

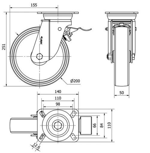
Technical Data 2-0947

EAN:
8422202209470
Housing Type:
Swivel
Fitting Type:
Plate
Braking System:
Wheel Brake And Fork
Material:
Nylon(Polyamide 6)
Bearing:
Plain
Diameter (mm):
200
Width of tyre (mm):
50
Plate dimensions (mm):
139x110
Distance between holes (mm):
105x80
Plate hole diameter (mm):
10
Offset (mm):
155
Overall height (mm):
251
Load:
650
Unit Weight of the wheel (kg):
3,32
Volume (cm3):
7372
Technical Data 2-0947

Private area

Regístrate
Download in 3D formats
Download in 2D formats
DWG
Download PDF
PDF
Price
--

Similar products

Contact

Contact us

Send us the following form and we will contact you to answer your question.

Contact information:
Email: info@alex.es
Phone: (+34) 974 035 345
Opening hours:
Monday to Friday: 8-14h / 15-18h
Saturday and Sunday: Closed
Responsable: Ruedas Alex, S.L.U, siendo la Finalidad: gestionar el contacto entre cualquier interesado y nuestros servicios de atención. La Legitimación: es gracias a tu consentimiento. Destinatarios: no se comunicarán los datos personales a ningún tercero. Podrás efercer Tus Derechos de Acceso, Rectificación, Supresión, Limitación, Oposición y Portabilidad en rgpd@alex.es. Para más información consulte la Política de Privacidad.

Keep informed about all news, offers and promotions we have for you.