Manufacturers since 1958
Ruedas Alex

TVC SERIES-DE 2-3715

See comparative
Code: 2-3715

Castors with aluminium centre and elastic black rubber tyre and a hardness of 70º Shore A, especially indicated to support high-loads up to 250 Kg.

It is used in: logistics transport tools, outdoor areas, internal logistics, mobile platforms, roll containers, elevating platforms and transport carts.

Mainly used in the industrial sector, aeronautic sector, railway and automobile factories.

DE: ideal for the manual displacement of medium-loads. Noiseless. Absorption to impacts and vibrations. High protection of floors and equipment. Ideal in uneven surfaces.

Components

Brackets

Made of highly resistant pressed steel. Finish: zinc-plated. Double ball bearing in the swivel head. Manufactured to European standard EN 12532.

Wheel

Elastic rubber tyre on Aluminium centre. 70º Shore A
Temperature range: -20º ÷ +70º
Rolling Resistence Reasonable
Noise during the march Excelent
Floor Protection Excelent

Technical Data 2-3715

EAN:
8422202237152
Housing Type:
Swivel
Fitting Type:
Plate
Braking System:
Without Brake
Material:
Rubber
Hardness of tread:
70º SHORE A
Bearing:
Ball
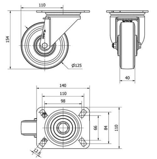
Diameter (mm):
125
Width of tyre (mm):
40
Plate dimensions (mm):
139x110
Distance between holes (mm):
105x80
Plate hole diameter (mm):
10
Offset (mm):
110
Overall height (mm):
154
Load:
250
Unit Weight of the wheel (kg):
1,86
Volume (cm3):
3041
Technical Data 2-3715

Private area

Regístrate
Download in 3D formats
Download in 2D formats
DWG
Download PDF
PDF
Price
--

Similar products

Contact

Contact us

Send us the following form and we will contact you to answer your question.

Contact information:
Email: info@alex.es
Phone: (+34) 974 035 345
Opening hours:
Monday to Friday: 8-14h / 15-18h
Saturday and Sunday: Closed
Responsable: Ruedas Alex, S.L.U, siendo la Finalidad: gestionar el contacto entre cualquier interesado y nuestros servicios de atención. La Legitimación: es gracias a tu consentimiento. Destinatarios: no se comunicarán los datos personales a ningún tercero. Podrás efercer Tus Derechos de Acceso, Rectificación, Supresión, Limitación, Oposición y Portabilidad en rgpd@alex.es. Para más información consulte la Política de Privacidad.

Keep informed about all news, offers and promotions we have for you.