Manufacturers since 1958
Ruedas Alex

LP SERIES-KN 2-4547

See comparative
Code: 2-4547

Reinforced nylon castors, especially designed to support loads up to 600 Kg with minimal height.

Used for medium-heavy duty loads in industrial environments, transport equipment, workshops, outdoor areas, tool trolleys, internal logistics, light machinery, forklifts, lifting tables.

KN: Smooth rolling performance and esay positioning. Noiseless.

Components

Brackets

Made of pressed steel up to 4mm thickness. Black paint finish. Double ball bearing swivel head (wrapped-around chromium steel ball bearing lying in a hardened seat) Manufactured according to European Standards EN12528/12532.

Technical Data 2-4547

EAN:
8422202245478
Housing Type:
Swivel
Fitting Type:
Plate
Braking System:
Wheel Brake
Material:
Nylon(Polyamide 6)
Low Temperature (ºC):
-30
Maximum Temperature (ºC):
80
Hardness of tread:
95º SHORE A
Bearing:
Ball
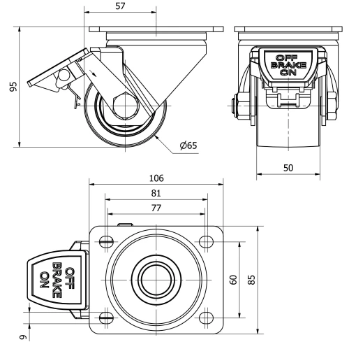
Diameter (mm):
65
Width of tyre (mm):
50
Plate dimensions (mm):
106x85
Distance between holes (mm):
81x60
Plate hole diameter (mm):
9
Offset (mm):
57
Overall height (mm):
95
Load:
500
Unit Weight of the wheel (kg):
1,13
Volume (cm3):
1,25
Technical Data 2-4547

Private area

Regístrate
Download in 3D formats
Download in 2D formats
DWG
Download PDF
PDF
Price
--

Similar products

Contact

Contact us

Send us the following form and we will contact you to answer your question.

Contact information:
Email: info@alex.es
Phone: (+34) 974 035 345
Opening hours:
Monday to Friday: 8-14h / 15-18h
Saturday and Sunday: Closed
Responsable: Ruedas Alex, S.L.U, siendo la Finalidad: gestionar el contacto entre cualquier interesado y nuestros servicios de atención. La Legitimación: es gracias a tu consentimiento. Destinatarios: no se comunicarán los datos personales a ningún tercero. Podrás efercer Tus Derechos de Acceso, Rectificación, Supresión, Limitación, Oposición y Portabilidad en rgpd@alex.es. Para más información consulte la Política de Privacidad.

Keep informed about all news, offers and promotions we have for you.