Manufacturers since 1958
Ruedas Alex

HLG SERIES-FT 2-3836

See comparative
Code: 2-3836

Reinforced nylon double castor, especially indicated to support high-loads up to 2.500 Kg.

It is used in: logistics transport tools, cranes transporting heavy materials elevating platforms and mobile platforms.

Mainly used in the aeronautic sector, railway and automobile factories.

FT: Castors especially indicated for chemical and food industry applications. Does not leave marks on floor. Reinforced. High resistance to impacts and collisions.

Components

Brackets

Heavy fabricated castors made of welded steel up to 8 mm. Painted black. Combination of thrust ball bearing and tapered roller bearing in the swivel head: the upper for axial eff orts and the lower for radial efforts. Totally sealed swivel head, grease nipples on the swivel head and wheel. Manufactured to European standard EN 12532/12533.

Wheel

Reinforced nylon (Polyamid 6) wheel, white colour
Temperature range: -30º ÷ +80º
Rolling Resistence Excelent
Noise during the march Reasonable
Floor Protection Reasonable

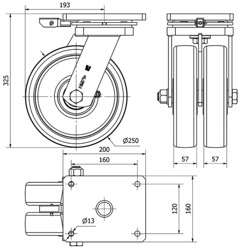
Technical Data 2-3836

EAN:
8422202238364
Housing Type:
Swivel
Fitting Type:
Plate
Braking System:
Directional Lock
Material:
Nylon(Polyamide 6)
Bearing:
Ball
Diameter (mm):
250
Width of tyre (mm):
57x2
Plate dimensions (mm):
200x160
Distance between holes (mm):
160x120
Plate hole diameter (mm):
12
Offset (mm):
193
Overall height (mm):
325
Load:
2600
Unit Weight of the wheel (kg):
14,165
Volume (cm3):
15236
Technical Data 2-3836

Private area

Regístrate
Download in 3D formats
Download in 2D formats
DWG
Download PDF
PDF
Price
--

Similar products

Contact

Contact us

Send us the following form and we will contact you to answer your question.

Contact information:
Email: info@alex.es
Phone: (+34) 974 035 345
Opening hours:
Monday to Friday: 8-14h / 15-18h
Saturday and Sunday: Closed
Responsable: Ruedas Alex, S.L.U, siendo la Finalidad: gestionar el contacto entre cualquier interesado y nuestros servicios de atención. La Legitimación: es gracias a tu consentimiento. Destinatarios: no se comunicarán los datos personales a ningún tercero. Podrás efercer Tus Derechos de Acceso, Rectificación, Supresión, Limitación, Oposición y Portabilidad en rgpd@alex.es. Para más información consulte la Política de Privacidad.

Keep informed about all news, offers and promotions we have for you.