Manufacturers since 1958
Ruedas Alex

HLG SERIES-HU 2-3811

See comparative
Code: 2-3811

Double castor with steel centre and cast polyurethane tyre with a hardness of 95º Shore A, especially indicated to support high-loads up to 2.500 kg. 

It is used in: logistics transport tools, cranes transporting heavy materials and elevating platforms.

Mainly used in the aeronautic sector, railway and automobile factories.

Castors with high absorption to impacts. Floor protection and high abrasion and wear resistance. Recommended for rough surfaces, broken, with metallic shavings, oil stains, broken glass, grease, gravel.

Components

Brackets

Heavy fabricated castors made of welded steel up to 8 mm. Painted black. Combination of thrust ball bearing and tapered roller bearing in the swivel head: the upper for axial eff orts and the lower for radial efforts. Totally sealed swivel head, grease nipples on the swivel head and wheel. Manufactured to European standard EN 12532/12533.

Wheel

Rolling Resistence Very Good
Noise during the march Good
Floor Protection Very Good

Technical Data 2-3811

EAN:
8422202238111
Housing Type:
Swivel
Fitting Type:
Plate
Braking System:
Wheel Brake And Fork
Material:
Polyurethane
Hardness of tread:
95º SHORE A
Bearing:
Ball
Diameter (mm):
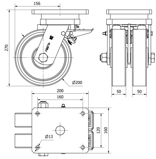
200
Width of tyre (mm):
50x2
Plate dimensions (mm):
200x160
Distance between holes (mm):
160x120
Plate hole diameter (mm):
12
Offset (mm):
156
Overall height (mm):
270
Load:
2200
Unit Weight of the wheel (kg):
18,667
Volume (cm3):
11059
Technical Data 2-3811

Private area

Regístrate
Download in 3D formats
Download in 2D formats
DWG
Download PDF
PDF
Price
--

Similar products

Contact

Contact us

Send us the following form and we will contact you to answer your question.

Contact information:
Email: info@alex.es
Phone: (+34) 974 035 345
Opening hours:
Monday to Friday: 8-14h / 15-18h
Saturday and Sunday: Closed
Responsable: Ruedas Alex, S.L.U, siendo la Finalidad: gestionar el contacto entre cualquier interesado y nuestros servicios de atención. La Legitimación: es gracias a tu consentimiento. Destinatarios: no se comunicarán los datos personales a ningún tercero. Podrás efercer Tus Derechos de Acceso, Rectificación, Supresión, Limitación, Oposición y Portabilidad en rgpd@alex.es. Para más información consulte la Política de Privacidad.

Keep informed about all news, offers and promotions we have for you.