Manufacturers since 1958
Ruedas Alex

HLR SERIES-NF 2-3595

See comparative
Code: 2-3595

High density reinforced cast nylon castors, very resistant to all kind of chemical products and abrasion wear. Especially indicated to support high-loads up to 7.000 Kg.

It is used in: ship trailers, logistics transport tools, cranes transporting heavy materials and elevating platforms.

Mainly used in the railway sector and ports, due to its high corrosion resistance against external factors. Used in wind farms.

Extra heavy duty castors. High resistance to impacts and collisions. Extra heavy. Low resistance to traction.

Components

Brackets

Made of welded steel up to 12mm .Black painted finish. Combination of thrust ball bearing and roller bearing in the head: the upper for axial efforts and the lower for radial efforts. Protected swivel head, with grease nipple and solid welded central rod. Wheel with precision ball bearings and solid threaded axle. Manufactured to European Standard EN 12532

Wheel

Reinforced nylon (Polyamid 6) wheel, white colour. Prolonged idle periods are recommended to avoid overheating.
Temperature range: -30º ÷ +80º
Rolling Resistence Excelent
Noise during the march Reasonable
Floor Protection Reasonable

Technical Data 2-3595

EAN:
8422202235950
Housing Type:
Swivel
Fitting Type:
Plate
Braking System:
Without Brake
Bearing:
Ball
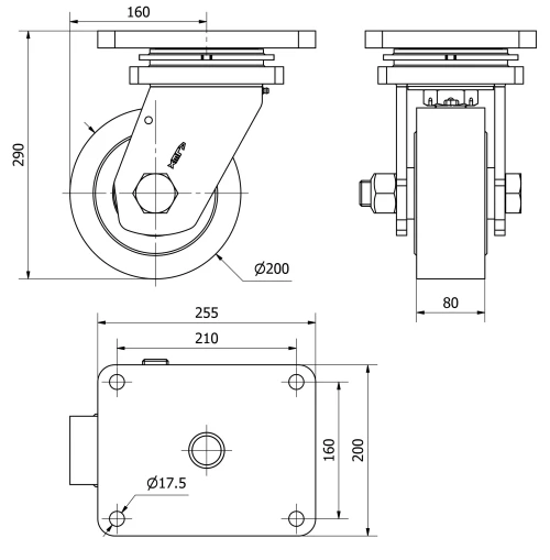
Diameter (mm):
200
Width of tyre (mm):
80
Plate dimensions (mm):
255x200
Distance between holes (mm):
210x160
Plate hole diameter (mm):
16
Offset (mm):
160
Overall height (mm):
290
Load:
4500
Unit Weight of the wheel (kg):
24
Volume (cm3):
16675
Technical Data 2-3595

Private area

Regístrate
Download in 3D formats
Download in 2D formats
DWG
Download PDF
PDF
Price
--

Similar products

Contact

Contact us

Send us the following form and we will contact you to answer your question.

Contact information:
Email: info@alex.es
Phone: (+34) 974 035 345
Opening hours:
Monday to Friday: 8-14h / 15-18h
Saturday and Sunday: Closed
Responsable: Ruedas Alex, S.L.U, siendo la Finalidad: gestionar el contacto entre cualquier interesado y nuestros servicios de atención. La Legitimación: es gracias a tu consentimiento. Destinatarios: no se comunicarán los datos personales a ningún tercero. Podrás efercer Tus Derechos de Acceso, Rectificación, Supresión, Limitación, Oposición y Portabilidad en rgpd@alex.es. Para más información consulte la Política de Privacidad.

Keep informed about all news, offers and promotions we have for you.