Manufacturers since 1958
Ruedas Alex

TVA SERIES-HU 2-2497

See comparative
Code: 2-2497

Castors with steel and cast poluyrethane centre with a hardness of 95º Shore A, especially indicated to support high-loads up to 700 Kg.

It is used in: the industrial sector, materials handling in factories, metallurgical industry, public services, aeronautic sector, railway, construction, scaffolding, mobile ladders, mobile cranes, elevating platforms and mobile platforms.

Suitable for all kind of indoor or outdoor flooring surfaces.

HU: high absorption to impacts. Floor protection. Recommended for rough surfaces, broken, with metallic shavings, oil stains, broken glass, grease and gravel.

Components

Brackets

Made of pressed steel up to 4 mm. Finish: passivated zinc. Adjustable total brake. High load capacity. Recommended for scaff olding up to 4 metres and stable floors. Manufactured to European standard EN 12532.

Wheel

Rolling Resistence Very Good
Noise during the march Good
Floor Protection Very Good

Technical Data 2-2497

EAN:
8422202224978
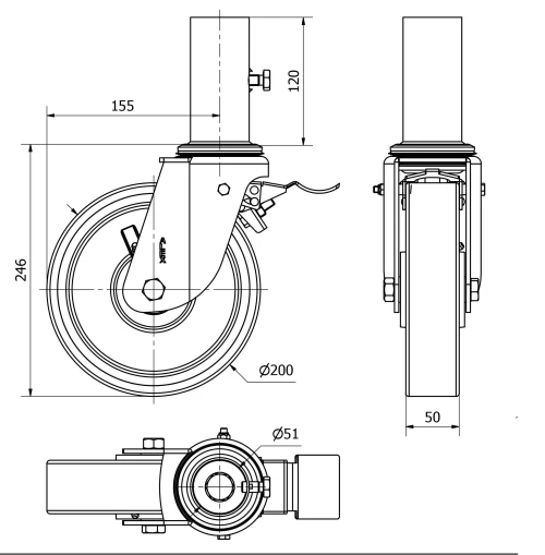
Housing Type:
Swivel
Fitting Type:
Stem
Braking System:
Wheel Brake And Fork
Material:
Polyurethane
Hardness of tread:
95º SHORE A
Bearing:
Ball
Diameter (mm):
200
Width of tyre (mm):
50
Width x height of stem:
51x120
Offset (mm):
155
Overall height (mm):
246
Load:
700
Unit Weight of the wheel (kg):
7
Volume (cm3):
3411
Technical Data 2-2497

Private area

Regístrate
Download in 3D formats
Download in 2D formats
DWG
Download PDF
PDF
Price
--

Similar products

Contact

Contact us

Send us the following form and we will contact you to answer your question.

Contact information:
Email: info@alex.es
Phone: (+34) 974 035 345
Opening hours:
Monday to Friday: 8-14h / 15-18h
Saturday and Sunday: Closed
Responsable: Ruedas Alex, S.L.U, siendo la Finalidad: gestionar el contacto entre cualquier interesado y nuestros servicios de atención. La Legitimación: es gracias a tu consentimiento. Destinatarios: no se comunicarán los datos personales a ningún tercero. Podrás efercer Tus Derechos de Acceso, Rectificación, Supresión, Limitación, Oposición y Portabilidad en rgpd@alex.es. Para más información consulte la Política de Privacidad.

Keep informed about all news, offers and promotions we have for you.