Manufacturers since 1958
Ruedas Alex

BHI SERIES-PGI 2-3039

See comparative
Code: 2-3039

Grey injected rubber castors with stainless steel (AISI 304) components. Especially indicated to support high-loads up to 60 Kg.

It is used in: outdoor areas, food trolleys, display stands, catering carts, restaurants, packaging machines and conveyor belts.

Suitable for mechanical engineering projects by draftsmen and project executors.

PGI: noiseless. Does not scratch or leave marks on floor.

Components

Brackets

Made of high-quality pressed stainless steel (AISI 304) up to 2 mm. Bracket made completely of stainless steel, corrosion-free, resistant to petrol, diesel,oils and grease. Double ball bearing swivel head. Manufactured to European standards EN 12528/12530.  

Wheel

Grey rubber tyre on polypropylene centre
Temperature range: -20º ÷ +60º
Rolling Resistence Good
Noise during the march Very Good
Floor Protection Very Good

Technical Data 2-3039

EAN:
8422202230399
Housing Type:
Swivel
Fitting Type:
Plate
Braking System:
Without Brake
Material:
Rubber
Bearing:
Plain
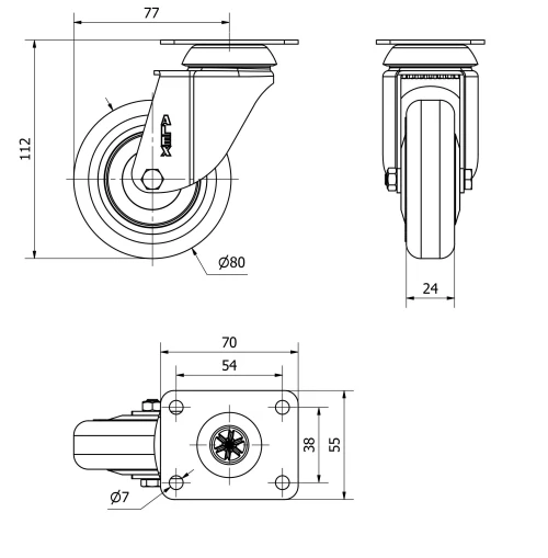
Diameter (mm):
80
Width of tyre (mm):
24
Plate dimensions (mm):
70x55
Distance between holes (mm):
54x38
Plate hole diameter (mm):
6
Offset (mm):
77
Overall height (mm):
112
Load:
60
Unit Weight of the wheel (kg):
0,4
Volume (cm3):
690
Technical Data 2-3039

Private area

Regístrate
Download in 3D formats
Download in 2D formats
DWG
Download PDF
PDF
Price
--

Similar products

Contact

Contact us

Send us the following form and we will contact you to answer your question.

Contact information:
Email: info@alex.es
Phone: (+34) 974 035 345
Opening hours:
Monday to Friday: 8-14h / 15-18h
Saturday and Sunday: Closed
Responsable: Ruedas Alex, S.L.U, siendo la Finalidad: gestionar el contacto entre cualquier interesado y nuestros servicios de atención. La Legitimación: es gracias a tu consentimiento. Destinatarios: no se comunicarán los datos personales a ningún tercero. Podrás efercer Tus Derechos de Acceso, Rectificación, Supresión, Limitación, Oposición y Portabilidad en rgpd@alex.es. Para más información consulte la Política de Privacidad.

Keep informed about all news, offers and promotions we have for you.