Manufacturers since 1958
Ruedas Alex

SLR SERIES-AUSB 2-4185

See comparative
Code: 2-4185

Castors with aluminium centre and white cast poluyrethane tyre with a hardness of 88º Shore A, especially indicated to support high-loads up to 650 Kg.

It is used in: logistics transport tools, outdoor areas, carbody factories, internal logistics, mobile platforms, elevating platforms, logistics for military missions material, heavy machinery, mobile cranes, elevating tables, carts, equipments and industrial areas.

Suitable for mechanical engineering projects by draftsmen and project executors.

AUSB: recommended for speed displacements (up to 16 Km/h.) High absorption to impacts. Unfavourable flooring surfaces conditions. Rough surfaces, broken, with metallic shavings, oil stains, broken glass, grease and gravel.

Components

Brackets

Made of forged steel up to 8 mm. Double swivel head. The upper one with large ball bearings and the lower one with precision bearings to facilitate rotation, radial and axial efforts. Model especially manufactured for use in large carts with mechanical drive, factory maintenance, metallurgical industries. White zinc finish Manufactured to European Standards EN 12532.

Wheel

Rolling Resistence Good
Noise during the march Very Good
Floor Protection Very Good

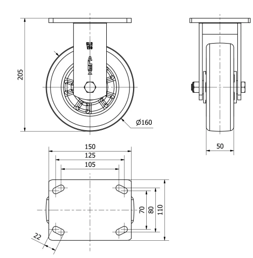
Technical Data 2-4185

EAN:
8422202241852
Housing Type:
Fixed
Fitting Type:
Plate
Braking System:
Without Brake
Bearing:
Ball
Diameter (mm):
160
Width of tyre (mm):
50
Plate dimensions (mm):
150x110
Distance between holes (mm):
125x70/105x80
Plate hole diameter (mm):
10
Overall height (mm):
205
Load:
600
Technical Data 2-4185

Private area

Regístrate
Download in 3D formats
Download in 2D formats
DWG
Download PDF
PDF
Price
--

Similar products

Contact

Contact us

Send us the following form and we will contact you to answer your question.

Contact information:
Email: info@alex.es
Phone: (+34) 974 035 345
Opening hours:
Monday to Friday: 8-14h / 15-18h
Saturday and Sunday: Closed
Responsable: Ruedas Alex, S.L.U, siendo la Finalidad: gestionar el contacto entre cualquier interesado y nuestros servicios de atención. La Legitimación: es gracias a tu consentimiento. Destinatarios: no se comunicarán los datos personales a ningún tercero. Podrás efercer Tus Derechos de Acceso, Rectificación, Supresión, Limitación, Oposición y Portabilidad en rgpd@alex.es. Para más información consulte la Política de Privacidad.

Keep informed about all news, offers and promotions we have for you.