Manufacturers since 1958
Ruedas Alex

SL SERIES-FT 4-0808

See comparative
Code: 4-0808

Reinforced nylon castors, especially indicated to support high-loads up to 600 Kg.

It is used in logistics transport tools, outdoor areas, clean rooms, internal logistics, mobile platforms, elevating platforms, transport carts, logistics for military missions material, heavy machinery for the construction sector, mobile cranes, sport centres, carbody factories and petrochemical industry.

Mainly used in the aeronautic sector, railway and automobile factories.

FT: especially indicated for food and industrial applications. Does not leave marks on floor. Reinforced. Canning factories.

Components

Brackets

Made of welded steel up to 6 mm.Finish: Passivated zinc.Swivel head with a hardened double ball raceways to ensure durability and longevity of the castor.Manufactured to European standard EN 12532.

Wheel

Reinforced nylon (Polyamid 6) wheel, white colour
Temperature range: -30º ÷ +80º
Rolling Resistence Excelent
Noise during the march Reasonable
Floor Protection Reasonable

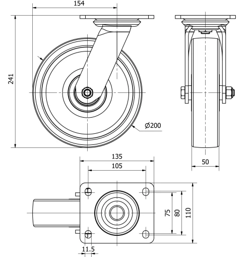
Technical Data 4-0808

EAN:
8422202408088
Housing Type:
Swivel
Fitting Type:
Plate
Braking System:
Without Brake
Material:
Nylon(Polyamide 6)
Bearing:
Ball
Diameter (mm):
200
Width of tyre (mm):
50
Plate dimensions (mm):
135x110
Distance between holes (mm):
105x80
Plate hole diameter (mm):
10
Offset (mm):
154
Overall height (mm):
241
Load:
600
Unit Weight of the wheel (kg):
2,9
Volume (cm3):
5872
Technical Data 4-0808

Private area

Regístrate
Download in 3D formats
Download in 2D formats
DWG
Download PDF
PDF
Price
--

Similar products

Contact

Contact us

Send us the following form and we will contact you to answer your question.

Contact information:
Email: info@alex.es
Phone: (+34) 974 035 345
Opening hours:
Monday to Friday: 8-14h / 15-18h
Saturday and Sunday: Closed
Responsable: Ruedas Alex, S.L.U, siendo la Finalidad: gestionar el contacto entre cualquier interesado y nuestros servicios de atención. La Legitimación: es gracias a tu consentimiento. Destinatarios: no se comunicarán los datos personales a ningún tercero. Podrás efercer Tus Derechos de Acceso, Rectificación, Supresión, Limitación, Oposición y Portabilidad en rgpd@alex.es. Para más información consulte la Política de Privacidad.

Keep informed about all news, offers and promotions we have for you.