Manufacturers since 1958
Ruedas Alex

SLR SERIES-FT 2-3671

See comparative
Code: 2-3671

Reinforced nylon castors, especially indicated to support high-loads up to 1.000 Kg.

It is used in: logistics transport tools, outdoor areas, clean rooms, internal logistics, mobile platforms, elevating platforms, transport carts, logistics for military missions material, heavy machinery for the construction sector, mobile cranes, sport centres, carbody factories and petrochemical industry.

Mainly used in the aeronautic sector, railway and automobile factories.

FT: especially indicated for food and chemical industry applications. Does not leave marks on floor. Reinforced. Canning factories.

Components

Brackets

Made of forged steel up to 8 mm. Double swivel head. The upper one with large ball bearings and the lower one with precision bearings to facilitate rotation, radial and axial efforts. Model especially manufactured for use in large carts with mechanical drive, factory maintenance, metallurgical industries. White zinc finish Manufactured to European Standards EN 12532

Wheel

Reinforced nylon (Polyamid 6) wheel, white colour
Temperature range: -30º ÷ +80º
Rolling Resistence Excelent
Noise during the march Reasonable
Floor Protection Reasonable

Technical Data 2-3671

EAN:
8422202236711
Housing Type:
Swivel
Fitting Type:
Plate
Braking System:
Without Brake
Material:
Nylon(Polyamide 6)
Bearing:
Plain
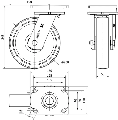
Diameter (mm):
200
Width of tyre (mm):
50
Plate dimensions (mm):
150x110
Distance between holes (mm):
125x70/105x80
Plate hole diameter (mm):
10
Offset (mm):
158
Overall height (mm):
245
Load:
1000
Unit Weight of the wheel (kg):
3,9
Volume (cm3):
6279
Technical Data 2-3671

Private area

Regístrate
Download in 3D formats
Download in 2D formats
DWG
Download PDF
PDF
Price
--

Similar products

Contact

Contact us

Send us the following form and we will contact you to answer your question.

Contact information:
Email: info@alex.es
Phone: (+34) 974 035 345
Opening hours:
Monday to Friday: 8-14h / 15-18h
Saturday and Sunday: Closed
Responsable: Ruedas Alex, S.L.U, siendo la Finalidad: gestionar el contacto entre cualquier interesado y nuestros servicios de atención. La Legitimación: es gracias a tu consentimiento. Destinatarios: no se comunicarán los datos personales a ningún tercero. Podrás efercer Tus Derechos de Acceso, Rectificación, Supresión, Limitación, Oposición y Portabilidad en rgpd@alex.es. Para más información consulte la Política de Privacidad.

Keep informed about all news, offers and promotions we have for you.