Manufacturers since 1958
Ruedas Alex

TV SERIES-DE 2-1993

See comparative
Code: 2-1993

Castors with aluminium centre and elastic black rubber tyre with a hardness of 70º Shore A. Especially indicated to support high-loads up to 450 Kg.

It is used in: logistics transport tools, repair shops, tool trolleys, internal logistics, tubular carts, mobile platforms, transport tools, elevating platforms, food industry, logistics for military missions material, heavy machinery for the construction sector, elevating driven carts, poultry farms, containers, roll containers and transport cages.

Suitable for mechanical engineering projects by draftsmen and project executors.

DE: ideal in the manual and noiseless displacement of medium-loads. Absorption to impacts and vibrations. High protection of floors and equipment. Ideal in uneven surfaces.

Components

Brackets

Manufactured with pressed steel up to 5 mm. Highly rust-resistant double-chrome coating. Double ball bearing reinforced with hardened ball races. Dust-proof in the sealing swivel head. Manufactured to European standard EN 12532.

Wheel

Elastic rubber tyre on Aluminium centre. 70º Shore A
Temperature range: -20º ÷ +70º
Rolling Resistence Reasonable
Noise during the march Excelent
Floor Protection Excelent

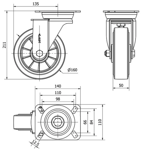
Technical Data 2-1993

EAN:
8422202219936
Housing Type:
Swivel
Fitting Type:
Plate
Braking System:
Without Brake
Material:
Rubber
Hardness of tread:
70º SHORE A
Bearing:
Ball
Diameter (mm):
160
Width of tyre (mm):
50
Plate dimensions (mm):
139x110
Distance between holes (mm):
105x80
Plate hole diameter (mm):
10
Offset (mm):
135
Overall height (mm):
211
Load:
350
Unit Weight of the wheel (kg):
3,12
Volume (cm3):
4746
Technical Data 2-1993

Private area

Regístrate
Download in 3D formats
Download in 2D formats
DWG
Download PDF
PDF
Price
--

Similar products

Contact

Contact us

Send us the following form and we will contact you to answer your question.

Contact information:
Email: info@alex.es
Phone: (+34) 974 035 345
Opening hours:
Monday to Friday: 8-14h / 15-18h
Saturday and Sunday: Closed
Responsable: Ruedas Alex, S.L.U, siendo la Finalidad: gestionar el contacto entre cualquier interesado y nuestros servicios de atención. La Legitimación: es gracias a tu consentimiento. Destinatarios: no se comunicarán los datos personales a ningún tercero. Podrás efercer Tus Derechos de Acceso, Rectificación, Supresión, Limitación, Oposición y Portabilidad en rgpd@alex.es. Para más información consulte la Política de Privacidad.

Keep informed about all news, offers and promotions we have for you.