Manufacturers since 1958
Ruedas Alex

TV SERIES-TD 2-4003

See comparative
Code: 2-4003

Reinforced resine castors, especially indicated to stand high temperatures up to 200º and high-loads up to 700 Kg.

It is used in: furnaces and light machinery.

Mainly used in the industrial sector, aeronautic sector, automobile factories and food industry.

Suitable for mechanical engineering projects by draftsmen and project executors.

TD: reinforced resine castor. Indicated for industrial industry.

Components

Brackets

Manufactured with pressed steel up to 5 mm. Highly rust-resistant double-chrome coating. Double ball bearing reinforced with hardened ball races. Dust-proof in the sealing swivel head. Manufactured to European standard EN 12532.

Wheel

Resin wheel up to 200ºC when not in continuous use
Temperature range: -40º ÷ +200º
Rolling Resistence Very Good
Noise during the march Reasonable
Floor Protection Reasonable

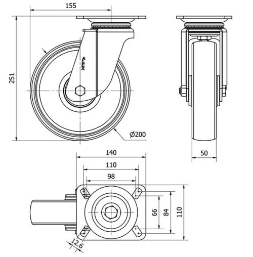
Technical Data 2-4003

EAN:
8422202240039
Housing Type:
Swivel
Fitting Type:
Plate
Braking System:
Without Brake
Material:
Phenolic Resin Wheel
Bearing:
Plain
Diameter (mm):
200
Width of tyre (mm):
50
Plate dimensions (mm):
139x110
Distance between holes (mm):
105x80
Plate hole diameter (mm):
10
Offset (mm):
155
Overall height (mm):
251
Load:
800
Volume (cm3):
6198
Technical Data 2-4003

Private area

Regístrate
Download in 3D formats
Download in 2D formats
DWG
Download PDF
PDF
Price
--

Similar products

Contact

Contact us

Send us the following form and we will contact you to answer your question.

Contact information:
Email: info@alex.es
Phone: (+34) 974 035 345
Opening hours:
Monday to Friday: 8-14h / 15-18h
Saturday and Sunday: Closed
Responsable: Ruedas Alex, S.L.U, siendo la Finalidad: gestionar el contacto entre cualquier interesado y nuestros servicios de atención. La Legitimación: es gracias a tu consentimiento. Destinatarios: no se comunicarán los datos personales a ningún tercero. Podrás efercer Tus Derechos de Acceso, Rectificación, Supresión, Limitación, Oposición y Portabilidad en rgpd@alex.es. Para más información consulte la Política de Privacidad.

Keep informed about all news, offers and promotions we have for you.