Manufacturers since 1958
Ruedas Alex

ZV SERIES-BS 2-2309

See comparative
Code: 2-2309

Castors with metal centre and black rubber tyre. Especially indicated to support high-loads up to 250 Kg.

It is used in tool trolleys, tubular carts, internal logistics, mobile platforms, transport tools, elevating platforms, repair shops, logistics for military missions material, restaurants, sweeping machines, polishing machines, welding, cement mixers, mobile cranes, trailers, agricultural farms, elevating tables, roll containers and containers.

BS: smooth and noiseless castors. High floor protection. Absorption to impacts and vibrations.

Components

Brackets

Made of pressed steel up to 4 mm.Finish: zinc plated finish.Double ball bearing in the swivel head.Universal model for medium-duty loads.Manufactured to European standards EN 12530/12532.

Wheel

Rubber tyre on pressed steel centre
Temperature range: -20º ÷ +60º
Rolling Resistence Reasonable
Noise during the march Excelent
Floor Protection Excelent

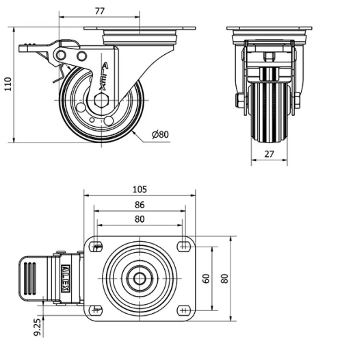
Technical Data 2-2309

EAN:
8422202223094
Housing Type:
Swivel
Fitting Type:
Plate
Braking System:
Wheel Brake And Fork
Material:
Rubber
Bearing:
Roller
Diameter (mm):
80
Width of tyre (mm):
27
Plate dimensions (mm):
105x80
Distance between holes (mm):
86/80x60
Plate hole diameter (mm):
8
Offset (mm):
77
Overall height (mm):
110
Load:
80
Unit Weight of the wheel (kg):
0,82
Volume (cm3):
1509
Technical Data 2-2309

Private area

Regístrate
Download in 3D formats
Download in 2D formats
DWG
Download PDF
PDF
Price
--

Similar products

Contact

Contact us

Send us the following form and we will contact you to answer your question.

Contact information:
Email: info@alex.es
Phone: (+34) 974 035 345
Opening hours:
Monday to Friday: 8-14h / 15-18h
Saturday and Sunday: Closed
Responsable: Ruedas Alex, S.L.U, siendo la Finalidad: gestionar el contacto entre cualquier interesado y nuestros servicios de atención. La Legitimación: es gracias a tu consentimiento. Destinatarios: no se comunicarán los datos personales a ningún tercero. Podrás efercer Tus Derechos de Acceso, Rectificación, Supresión, Limitación, Oposición y Portabilidad en rgpd@alex.es. Para más información consulte la Política de Privacidad.

Keep informed about all news, offers and promotions we have for you.