Manufacturers since 1958
Ruedas Alex

ZV SERIES-PGA 2-2389

See comparative
Code: 2-2389

Grey rubber castors. Especially indicated to support high-loads up to 135 Kg.

It is used in tool trolleys, tubular carts, internal logistics, transport tools, elevating platforms, repair shops, food trolleys, kitchens, canteens, dining rooms, restaurants, supermarkets, sweeping machines, polishing machines and light machines.

PGA: Smooth and noiseless castor. Does not leave marks on floor.

Components

Brackets

Made of pressed steel up to 4 mm.Finish: zinc plated finish.Double ball bearing in the swivel head.Universal model for medium-duty loads.Manufactured to European standards EN 12530/12532.

Wheel

Grey rubber tyre on polypropylene centre

Temperature range: -20º ÷ +60º

Rolling Resistence Reasonable
Noise during the march Excelent
Floor Protection Excelent

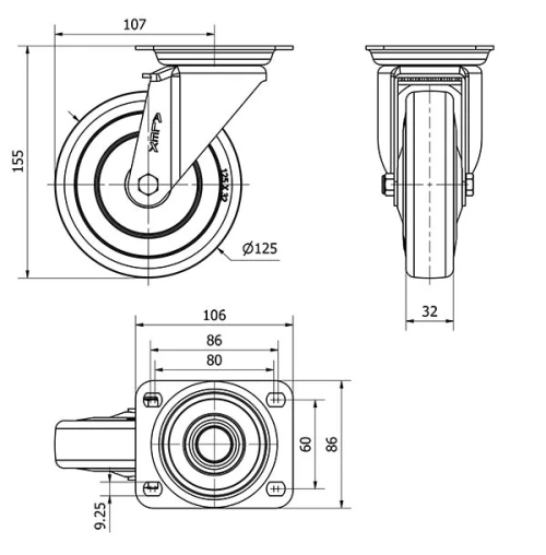
Technical Data 2-2389

EAN:
8422202223896
Housing Type:
Swivel
Fitting Type:
Plate
Braking System:
Without Brake
Material:
Rubber
Bearing:
Ball
Diameter (mm):
125
Width of tyre (mm):
32
Plate dimensions (mm):
106x86
Distance between holes (mm):
86/80x60
Plate hole diameter (mm):
8
Offset (mm):
107
Overall height (mm):
155
Load:
135
Unit Weight of the wheel (kg):
1,004
Volume (cm3):
2133
Technical Data 2-2389

Private area

Regístrate
Download in 3D formats
Download in 2D formats
DWG
Download PDF
PDF
Price
--

Similar products

Contact

Contact us

Send us the following form and we will contact you to answer your question.

Contact information:
Email: info@alex.es
Phone: (+34) 974 035 345
Opening hours:
Monday to Friday: 8-14h / 15-18h
Saturday and Sunday: Closed
Responsable: Ruedas Alex, S.L.U, siendo la Finalidad: gestionar el contacto entre cualquier interesado y nuestros servicios de atención. La Legitimación: es gracias a tu consentimiento. Destinatarios: no se comunicarán los datos personales a ningún tercero. Podrás efercer Tus Derechos de Acceso, Rectificación, Supresión, Limitación, Oposición y Portabilidad en rgpd@alex.es. Para más información consulte la Política de Privacidad.

Keep informed about all news, offers and promotions we have for you.