Manufacturers since 1958
Ruedas Alex

ZV SERIES-PGZ 2-3229

See comparative
Code: 2-3229

Grey injected rubber castors with polypropylene centre. Especially indicated to support high-loads up to 180 Kg.

It is used in: logistics transport tools, food trolleys, kitchen, canteens, food industry, supermarkets, light machinery, paper containers, transport cages and roll containers.

Mainly used in the industrial sector, food industry and construction machinery.

Suitable for mechanical engineering projects by draftsmen and project executors.

PGZ: does not leave marks on floor. Easy to move with load.

Components

Brackets

Made of pressed steel up to 4 mm.Finish: zinc plated finish.Double ball bearing in the swivel head.Universal model for medium-duty loads.Manufactured to European standards EN 12530/12532.

Wheel

Injected rubber tyre on polypropylene centre

Rolling Resistence Good
Noise during the march Very Good
Floor Protection Very Good

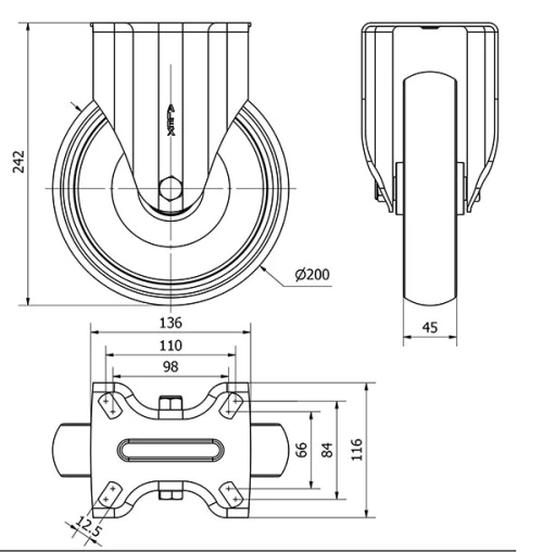
Technical Data 2-3229

EAN:
8422202232294
Housing Type:
Fixed
Fitting Type:
Plate
Braking System:
Without Brake
Material:
Rubber
Bearing:
Plain
Diameter (mm):
200
Width of tyre (mm):
45
Plate dimensions (mm):
136x116
Distance between holes (mm):
105x80
Plate hole diameter (mm):
10
Overall height (mm):
242
Load:
180
Unit Weight of the wheel (kg):
2,04
Volume (cm3):
5614
Technical Data 2-3229

Private area

Regístrate
Download in 3D formats
Download in 2D formats
DWG
Download PDF
PDF
Price
--

Similar products

Contact

Contact us

Send us the following form and we will contact you to answer your question.

Contact information:
Email: info@alex.es
Phone: (+34) 974 035 345
Opening hours:
Monday to Friday: 8-14h / 15-18h
Saturday and Sunday: Closed
Responsable: Ruedas Alex, S.L.U, siendo la Finalidad: gestionar el contacto entre cualquier interesado y nuestros servicios de atención. La Legitimación: es gracias a tu consentimiento. Destinatarios: no se comunicarán los datos personales a ningún tercero. Podrás efercer Tus Derechos de Acceso, Rectificación, Supresión, Limitación, Oposición y Portabilidad en rgpd@alex.es. Para más información consulte la Política de Privacidad.

Keep informed about all news, offers and promotions we have for you.