Manufacturers since 1958
Ruedas Alex

ZV SERIES-TA 2-2516

See comparative
Code: 2-2516

Steel castors, especially indicated to support high-loads up to 400 Kg.

Mainly used in the industrial sector, mining industry, food industry and agricultural farms.

Suitable for mechanical engineering projects by draftsmen and project executors.

TA: very tough work conditions where the existence of cutting objects, chemical products or high temperatures would destroy other kind of castors. Heavy duty.

For temperatures above 200ºC, load (Kg) should be reduced by 40%.

Components

Brackets

Made of pressed steel up to 4 mm.Finish: zinc plated finish.Double ball bearing in the swivel head.Universal model for medium-duty loads.Manufactured to European standards EN 12530/12532.

Wheel

Cast iron wheel
Temperature range: -40º ÷ +300º
Rolling Resistence Excelent
Noise during the march Sufficient
Floor Protection Sufficient

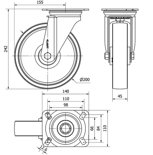
Technical Data 2-2516

EAN:
8422202225166
Housing Type:
Swivel
Fitting Type:
Plate
Braking System:
Without Brake
Material:
Cast Iron
Bearing:
Plain
Diameter (mm):
200
Width of tyre (mm):
45
Plate dimensions (mm):
140x110
Distance between holes (mm):
105x80
Plate hole diameter (mm):
10
Offset (mm):
153
Overall height (mm):
242
Load:
400
Unit Weight of the wheel (kg):
5,815
Volume (cm3):
5936
Technical Data 2-2516

Private area

Regístrate
Download in 3D formats
Download in 2D formats
DWG
Download PDF
PDF
Price
--

Similar products

Contact

Contact us

Send us the following form and we will contact you to answer your question.

Contact information:
Email: info@alex.es
Phone: (+34) 974 035 345
Opening hours:
Monday to Friday: 8-14h / 15-18h
Saturday and Sunday: Closed
Responsable: Ruedas Alex, S.L.U, siendo la Finalidad: gestionar el contacto entre cualquier interesado y nuestros servicios de atención. La Legitimación: es gracias a tu consentimiento. Destinatarios: no se comunicarán los datos personales a ningún tercero. Podrás efercer Tus Derechos de Acceso, Rectificación, Supresión, Limitación, Oposición y Portabilidad en rgpd@alex.es. Para más información consulte la Política de Privacidad.

Keep informed about all news, offers and promotions we have for you.