Manufacturers since 1958
Ruedas Alex

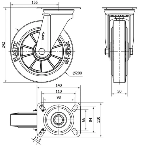
ZV SERIES-DEGB 2-4366

See comparative
Code: 2-4366

Grey elastic rubber tyre (70º Shore A hardness) on aluminium centre. Especially designed to support heavy loads up to 450 Kg.

For use in industries to support medium to heavy duty loads: transport equipment, workshops, outdoor areas, tool trolleys, internal logistics, tubular trolleys, mobile grandstands, lifting platforms, military missions material, restaurants, sweepers, polishers, mobile cranes, light machinery, forklifts, lift tables, roll containers, waste bins.

DEGB wheel: perfect for medium duty loads' manual movement. Noiseless. Non-marking. High absorption to impacts and vibrations. Maximum equipment and floor protection. Perfect for uneven surfaces.

Components

Brackets

Made of pressed steel up to 4 mm. Finish: zinc plated finish. Double ball bearing in the swivel head. Universal model for medium-duty loads. Manufactured to European standards EN 12530/12532.

Technical Data 2-4366

EAN:
8422202243665
Housing Type:
Swivel
Fitting Type:
Plate
Braking System:
Without Brake
Material:
Rubber
Low Temperature (ºC):
-20
Maximum Temperature (ºC):
70
Hardness of tread:
70º SHORE A
Bearing:
Ball
Color:
Gray
Diameter (mm):
200
Width of tyre (mm):
50
Plate dimensions (mm):
140x110
Distance between holes (mm):
105x80
Plate hole diameter (mm):
10
Offset (mm):
155
Overall height (mm):
242
Load:
400
Unit Weight of the wheel (kg):
3000
Volume (cm3):
5990
Technical Data 2-4366

Private area

Regístrate
Download in 3D formats
Download in 2D formats
DWG
Download PDF
PDF
Price
--

Similar products

Contact

Contact us

Send us the following form and we will contact you to answer your question.

Contact information:
Email: info@alex.es
Phone: (+34) 974 035 345
Opening hours:
Monday to Friday: 8-14h / 15-18h
Saturday and Sunday: Closed
Responsable: Ruedas Alex, S.L.U, siendo la Finalidad: gestionar el contacto entre cualquier interesado y nuestros servicios de atención. La Legitimación: es gracias a tu consentimiento. Destinatarios: no se comunicarán los datos personales a ningún tercero. Podrás efercer Tus Derechos de Acceso, Rectificación, Supresión, Limitación, Oposición y Portabilidad en rgpd@alex.es. Para más información consulte la Política de Privacidad.

Keep informed about all news, offers and promotions we have for you.