Manufacturers since 1958
Ruedas Alex

ZV SERIES-PGAIB 2-4790

See comparative
Code: 2-4790

Injection-moulded grey rubber. Especially designed to support loads up to 125 Kg.

Used in tool trolleys, tubular trolleys, internal logistics, transport equipment, lifting platforms, workshops, food trolleys, kitchens, canteens, dining halls, restaurants, supermarkets, sweepers, polishers, light machinery.

PGAIB: Noiseless wheel, high vibrations' absorption. Non-marking. Easy rolling.

Components

Brackets

Made of pressed steel up to 4 mm. Finish: zinc plated finish. Double ball bearing in the swivel head. Universal model for medium-duty loads. Manufactured to European standards EN 12530/12532.

Technical Data 2-4790

EAN:
8422202247908
Housing Type:
Swivel
Fitting Type:
Bolt hole
Braking System:
Without Brake
Material:
Rubber
Low Temperature (ºC):
-20
Maximum Temperature (ºC):
60
Bearing:
Ball
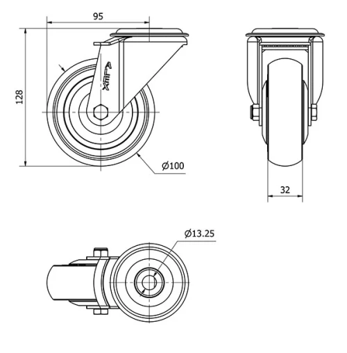
Diameter (mm):
100
Width of tyre (mm):
32
Plate hole diameter (mm):
12
Offset (mm):
95
Overall height (mm):
128
Load:
100
Unit Weight of the wheel (kg):
0,717
Volume (cm3):
1,228
Technical Data 2-4790

Private area

Regístrate
Download in 3D formats
Download in 2D formats
DWG
Download PDF
PDF
Price
--

Similar products

Contact

Contact us

Send us the following form and we will contact you to answer your question.

Contact information:
Email: info@alex.es
Phone: (+34) 974 035 345
Opening hours:
Monday to Friday: 8-14h / 15-18h
Saturday and Sunday: Closed
Responsable: Ruedas Alex, S.L.U, siendo la Finalidad: gestionar el contacto entre cualquier interesado y nuestros servicios de atención. La Legitimación: es gracias a tu consentimiento. Destinatarios: no se comunicarán los datos personales a ningún tercero. Podrás efercer Tus Derechos de Acceso, Rectificación, Supresión, Limitación, Oposición y Portabilidad en rgpd@alex.es. Para más información consulte la Política de Privacidad.

Keep informed about all news, offers and promotions we have for you.