Manufacturers since 1958
Ruedas Alex

HLS SERIE-DEGB 2-4407

See comparative
Code: 2-4407

Grey elastic rubber tyre (70º Shore A hardness) on aluminium centre. Especially designed to support heavy loads up to 450 Kg. With highly resistant spring loaded suspension, perfect for uneven surfaces thanks to its high shock absorption.

Used in car body factories, internal logistics, transport equipment, outdoor areas, mobile grandstands, lfting platforms, transport carts, military missions material, heavy machinery and portable cranes.

Suitable for mechanical engineering projects by draftsmen and project executors.

DEGB wheel: perfect for medium duty loads' manual travelling. Noiseless. Non-marking. High absorption to impacts and vibrations. Maximum equipment and floor protection. Perfect for uneven surfaces.

Components

Brackets

Made of welded steel from 8mm. to 18mm. thickness. Black paint finish. Bracket with highly resistant spring loaded suspension. Spring travel up to 24,5mm for a load of 700kg. Especially designed to absorb impacts, collisions and uneven surfaces. Manufactured according to European Standards EN12532/12533

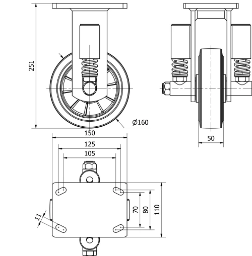
Technical Data 2-4407

EAN:
8422202244075
Housing Type:
Fixed
Fitting Type:
Plate
Braking System:
Without Brake
Material:
Rubber
Low Temperature (ºC):
-20
Maximum Temperature (ºC):
70
Bearing:
Ball
Color:
Gray
Diameter (mm):
160
Width of tyre (mm):
50
Plate dimensions (mm):
150x110
Distance between holes (mm):
105x80
Plate hole diameter (mm):
10
Offset (mm):
134
Overall height (mm):
251
Load:
350
Unit Weight of the wheel (kg):
6000
Volume (cm3):
4142
Technical Data 2-4407

Private area

Regístrate
Download in 3D formats
Download in 2D formats
DWG
Download PDF
PDF
Price
--

Similar products

Contact

Contact us

Send us the following form and we will contact you to answer your question.

Contact information:
Email: info@alex.es
Phone: (+34) 974 035 345
Opening hours:
Monday to Friday: 8-14h / 15-18h
Saturday and Sunday: Closed
Responsable: Ruedas Alex, S.L.U, siendo la Finalidad: gestionar el contacto entre cualquier interesado y nuestros servicios de atención. La Legitimación: es gracias a tu consentimiento. Destinatarios: no se comunicarán los datos personales a ningún tercero. Podrás efercer Tus Derechos de Acceso, Rectificación, Supresión, Limitación, Oposición y Portabilidad en rgpd@alex.es. Para más información consulte la Política de Privacidad.

Keep informed about all news, offers and promotions we have for you.