Manufacturers since 1958
Ruedas Alex

HLS SERIES-HU 2-3192

See comparative
Code: 2-3192

Castors with steel centre and cast polyurethane tyre with a hardness of 95º Shore A, especially indicated to support high-loads up to 1.250 Kg. With highly resistant spring loaded suspension, ideal in uneven surfaces due to its shock absorption.

It is used in: logistics transport tools, outdoor areas, internal logistics, mobile platforms, elevating platforms, transport carts, logistics for military missions material, heavy machinery for the construction sector and mobile cranes.

Mainly used in the aeronautic sector, railway and automobile factories.

HU: high absorption to impacts. Unfavourable flooring surfaces conditions. Rough surfaces, broken, with metallic shavings, oil stains, broken glass, grease and gravel.

Components

Brackets

Made of welded steel from 8mm. to 18mm. thickness. Black paint finish. Bracket with highly resistant spring loaded suspension. Spring travel up to 24,5mm for a load of 700kg. Especially designed to absorb impacts, collisions and uneven surfaces. Manufactured according to European Standards EN12532/12533

Wheel

Rolling Resistence Very Good
Noise during the march Good
Floor Protection Very Good

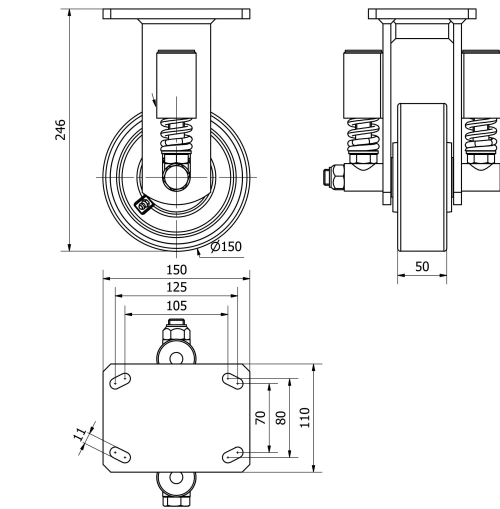
Technical Data 2-3192

EAN:
8422202231921
Housing Type:
Fixed
Fitting Type:
Plate
Braking System:
Without Brake
Material:
Polyurethane
Hardness of tread:
95º SHORE A
Bearing:
Ball
Diameter (mm):
150
Width of tyre (mm):
50
Plate dimensions (mm):
150x110
Distance between holes (mm):
105x80
Plate hole diameter (mm):
10
Overall height (mm):
246
Load:
800
Unit Weight of the wheel (kg):
8
Volume (cm3):
4059
Technical Data 2-3192

Private area

Regístrate
Download in 3D formats
Download in 2D formats
DWG
Download PDF
PDF
Price
--

Similar products

Contact

Contact us

Send us the following form and we will contact you to answer your question.

Contact information:
Email: info@alex.es
Phone: (+34) 974 035 345
Opening hours:
Monday to Friday: 8-14h / 15-18h
Saturday and Sunday: Closed
Responsable: Ruedas Alex, S.L.U, siendo la Finalidad: gestionar el contacto entre cualquier interesado y nuestros servicios de atención. La Legitimación: es gracias a tu consentimiento. Destinatarios: no se comunicarán los datos personales a ningún tercero. Podrás efercer Tus Derechos de Acceso, Rectificación, Supresión, Limitación, Oposición y Portabilidad en rgpd@alex.es. Para más información consulte la Política de Privacidad.

Keep informed about all news, offers and promotions we have for you.