Manufacturers since 1958
Ruedas Alex

HLS SERIES-FT 2-4045

See comparative
Code: 2-4045

Reinforced nylon castors especially indicated to support high-loads up to 1.250 Kg. With highly resistant spring loaded suspension, ideal in uneven surfaces due to its shock absorption.

It is used in: logistics transport tools, internal logistics, mobile platforms, elevating platforms, transport carts, logistics for military missions material, heavy machinery for the construction sector and mobile cranes.

Mainly used in the aeronautic sector, railway and automobile factories.

FT: especially indicated for food and chemical industry applications. Does not leave marks on floor. Reinforced. Canning factories.

Components

Brackets

Made of welded steel from 8mm. to 18mm. thickness. Black paint finish. Bracket with highly resistant spring loaded suspension. Spring travel up to 24,5mm for a load of 700kg. Especially designed to absorb impacts, collisions and uneven surfaces. Manufactured according to European Standards EN12532/12533

Wheel

Reinforced nylon (Polyamid 6) wheel, white colour
Temperature range: -30º ÷ +80º
Rolling Resistence Excelent
Noise during the march Reasonable
Floor Protection Reasonable

Technical Data 2-4045

EAN:
8422202240459
Housing Type:
Swivel
Fitting Type:
Plate
Braking System:
Wheel Brake
Material:
Nylon(Polyamide 6)
Bearing:
Ball
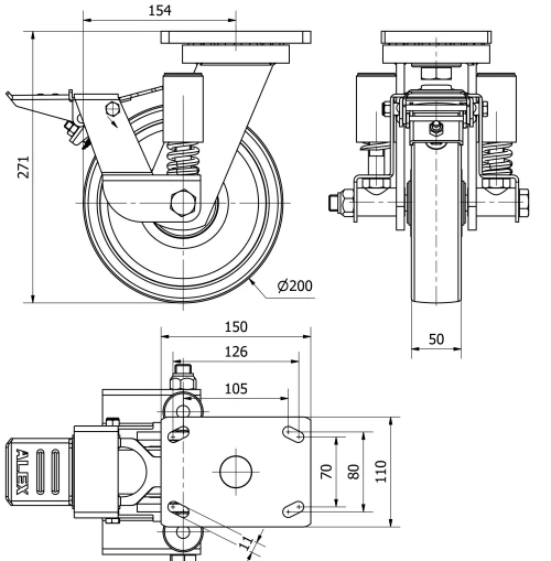
Diameter (mm):
200
Width of tyre (mm):
50
Plate dimensions (mm):
150x110
Distance between holes (mm):
105x80
Plate hole diameter (mm):
10
Offset (mm):
154
Overall height (mm):
271
Load:
1000
Technical Data 2-4045

Private area

Regístrate
Download in 3D formats
Download in 2D formats
DWG
Download PDF
PDF
Price
--

Similar products

Contact

Contact us

Send us the following form and we will contact you to answer your question.

Contact information:
Email: info@alex.es
Phone: (+34) 974 035 345
Opening hours:
Monday to Friday: 8-14h / 15-18h
Saturday and Sunday: Closed
Responsable: Ruedas Alex, S.L.U, siendo la Finalidad: gestionar el contacto entre cualquier interesado y nuestros servicios de atención. La Legitimación: es gracias a tu consentimiento. Destinatarios: no se comunicarán los datos personales a ningún tercero. Podrás efercer Tus Derechos de Acceso, Rectificación, Supresión, Limitación, Oposición y Portabilidad en rgpd@alex.es. Para más información consulte la Política de Privacidad.

Keep informed about all news, offers and promotions we have for you.