Manufacturers since 1958
Ruedas Alex

3097 2-4050

See comparative
Code: 2-4050

Castors with steel centre and black rubber tyre. Especially indicated to support high-loads up to 700 Kg. With highly resistant spring loaded suspension, ideal in uneven surfaces due to its shock absorption.

It is used in: logistics transport tools, outdoor areas, mobile cranes and logistics for military missions material.

Mainly used in the aeronautic sector, railway and automobile factories. Suitable for mechanical engineering projects by draftsmen and project executors.

HG: castor suitable for mechanical traction (elevating driven carts, trailers...). High floor protection. Smooth and noiseless tread. Industry in general.

Components

Brackets

Made of welded steel from 8mm. to 18mm. thickness. Black paint finish. Bracket with highly resistant spring loaded suspension. Spring travel up to 24,5mm for a load of 700kg. Especially designed to absorb impacts, collisions and uneven surfaces. Manufactured according to European Standards EN12532/12533

Wheel

Rubber tyre on cast iron centre with grease nipple
Temperature range: -20º ÷ +60º
Rolling Resistence Reasonable
Noise during the march Excelent
Floor Protection Excelent

Technical Data 2-4050

EAN:
8422202240503
Housing Type:
Swivel
Fitting Type:
Plate
Braking System:
Wheel Brake
Material:
Rubber
Bearing:
Ball
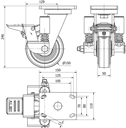
Diameter (mm):
150
Width of tyre (mm):
50
Plate dimensions (mm):
150x110
Distance between holes (mm):
105x80
Plate hole diameter (mm):
10
Offset (mm):
129
Overall height (mm):
246
Load:
400
Technical Data 2-4050

Private area

Regístrate
Download in 3D formats
Download in 2D formats
DWG
Download PDF
PDF
Price
--

Similar products

Contact

Contact us

Send us the following form and we will contact you to answer your question.

Contact information:
Email: info@alex.es
Phone: (+34) 974 035 345
Opening hours:
Monday to Friday: 8-14h / 15-18h
Saturday and Sunday: Closed
Responsable: Ruedas Alex, S.L.U, siendo la Finalidad: gestionar el contacto entre cualquier interesado y nuestros servicios de atención. La Legitimación: es gracias a tu consentimiento. Destinatarios: no se comunicarán los datos personales a ningún tercero. Podrás efercer Tus Derechos de Acceso, Rectificación, Supresión, Limitación, Oposición y Portabilidad en rgpd@alex.es. Para más información consulte la Política de Privacidad.

Keep informed about all news, offers and promotions we have for you.