Manufacturers since 1958
Ruedas Alex

ZV SERIES-DE 2-1192

See comparative
Code: 2-1192

Castors with aluminium centre and black elastic rubber tyre with a hardness of 70º Shore A. Especially indicated to support high-loads up to 450 Kg.

It is used in: medium-heavy duty industrial sectors, logistics tranport tools, repair shops, outdoor areas, tool trolleys, internal logistics, tubular carts, mobile platforms, elevating platforms, logistics for military missions material, tool transport, restaurants, sweeping machines, polishing machines, mobile cranes, light machinery, elevating driven carts, elevating tables, roll containers and containers.

DE: ideal in the manual displacement of medium-loads. Noiseless. Absorption to impacts and vibrations. High protection of floors and equipment. Ideal in uneven surfaces.

Components

Brackets

Made of pressed steel up to 4 mm. Finish: zinc plated finish. Double ball bearing in the swivel head. Universal model for medium-duty loads. Manufactured to European standards EN 12530/12532.

Wheel

Elastic rubber tyre on Aluminium centre. 70º Shore A
Temperature range: -20º ÷ +70º
Rolling Resistence Reasonable
Noise during the march Excelent
Floor Protection Excelent

Technical Data 2-1192

EAN:
8422202211923
Housing Type:
Swivel
Fitting Type:
Plate
Braking System:
Without Brake
Material:
Rubber
Hardness of tread:
70º SHORE A
Bearing:
Ball
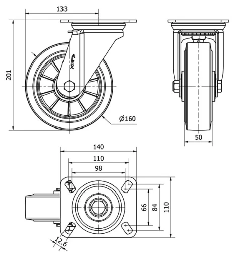
Diameter (mm):
160
Width of tyre (mm):
50
Plate dimensions (mm):
140x110
Distance between holes (mm):
105x80
Plate hole diameter (mm):
10
Offset (mm):
133
Overall height (mm):
201
Load:
350
Unit Weight of the wheel (kg):
2,5
Volume (cm3):
4533
Technical Data 2-1192

Private area

Regístrate
Download in 3D formats
Download in 2D formats
DWG
Download PDF
PDF
Price
--

Similar products

Contact

Contact us

Send us the following form and we will contact you to answer your question.

Contact information:
Email: info@alex.es
Phone: (+34) 974 035 345
Opening hours:
Monday to Friday: 8-14h / 15-18h
Saturday and Sunday: Closed
Responsable: Ruedas Alex, S.L.U, siendo la Finalidad: gestionar el contacto entre cualquier interesado y nuestros servicios de atención. La Legitimación: es gracias a tu consentimiento. Destinatarios: no se comunicarán los datos personales a ningún tercero. Podrás efercer Tus Derechos de Acceso, Rectificación, Supresión, Limitación, Oposición y Portabilidad en rgpd@alex.es. Para más información consulte la Política de Privacidad.

Keep informed about all news, offers and promotions we have for you.