Manufacturers since 1958
Ruedas Alex
Code: 2-4337

Injected grey rubber castors. Especially indicated to support loads up to 70 Kg.

It is used in: supermarkets, display stands, furniture, stackable boxes, stools, display cabinets, clothes racks, catering carts, hospital equipment, clinical furniture and drips.

PGI: does not scratch or leave marks on floor. Noiseless.

Components

Brackets

Made of pressed steel up to 2 mm. Finish: zinc-plated. Double ball bearing swivel head. Manufactured to European standards EN 12530.

Wheel

Grey rubber tyre on polypropylene centre
Temperature range: -20º ÷ +60º
Rolling Resistence Good
Noise during the march Very Good
Floor Protection Very Good

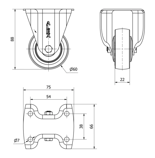
Technical Data 2-4337

EAN:
8422202243375
Housing Type:
Fixed
Fitting Type:
Plate
Braking System:
Without Brake
Material:
Rubber
Bearing:
Plain
Diameter (mm):
60
Width of tyre (mm):
22
Plate dimensions (mm):
75x66
Distance between holes (mm):
54x38
Plate hole diameter (mm):
6
Overall height (mm):
88
Load:
40
Unit Weight of the wheel (kg):
0,22
Volume (cm3):
436
Technical Data 2-4337

Private area

Regístrate
Download in 3D formats
Download in 2D formats
DWG
Download PDF
PDF
Price
--

Similar products

Contact

Contact us

Send us the following form and we will contact you to answer your question.

Contact information:
Email: info@alex.es
Phone: (+34) 974 035 345
Opening hours:
Monday to Friday: 8-14h / 15-18h
Saturday and Sunday: Closed
Responsable: Ruedas Alex, S.L.U, siendo la Finalidad: gestionar el contacto entre cualquier interesado y nuestros servicios de atención. La Legitimación: es gracias a tu consentimiento. Destinatarios: no se comunicarán los datos personales a ningún tercero. Podrás efercer Tus Derechos de Acceso, Rectificación, Supresión, Limitación, Oposición y Portabilidad en rgpd@alex.es. Para más información consulte la Política de Privacidad.

Keep informed about all news, offers and promotions we have for you.