Manufacturers since 1958
Ruedas Alex

ZVI SERIES-PGZ 2-3268

See comparative
Code: 2-3268

Grey injected rubber castors with stainless steel (AISI 304) components. Especially indicated to support high-loads up to 180 Kg.

It is used in: outdoor areas, food trolleys, canteens, dining rooms, restaurants, food industry, logistics for military missions material, packaging machines, conveyor belts, stainless steel constructions, light machinery for the construction, containers, roll containers and transport cages.

Suitable for mechanical engineering projects by draftsmen and project executors.

PGZ: does not leave marks on floor. Easy to move with load.

Components

Brackets

Made of high-quality pressed stainless steel (AISI 304) up to 3 mm. Bracket made completely of stainless steel, corrosion-free, resistant to petrol, diesel,oils and grease. Manufactured to European standards EN 12530/12532.  

Wheel

Injected rubber tyre on polypropylene centre

Rolling Resistence Good
Noise during the march Very Good
Floor Protection Very Good

Technical Data 2-3268

EAN:
8422202232683
Housing Type:
Swivel
Fitting Type:
Plate
Braking System:
Without Brake
Material:
Rubber
Bearing:
Plain
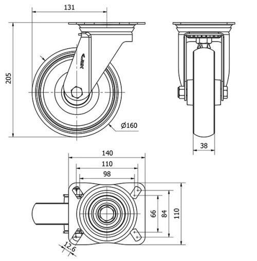
Diameter (mm):
160
Width of tyre (mm):
38
Plate dimensions (mm):
140x110
Distance between holes (mm):
105x80
Plate hole diameter (mm):
10
Offset (mm):
131
Overall height (mm):
205
Load:
160
Unit Weight of the wheel (kg):
1,6
Volume (cm3):
4533
Technical Data 2-3268

Private area

Regístrate
Download in 3D formats
Download in 2D formats
DWG
Download PDF
PDF
Price
--

Similar products

Contact

Contact us

Send us the following form and we will contact you to answer your question.

Contact information:
Email: info@alex.es
Phone: (+34) 974 035 345
Opening hours:
Monday to Friday: 8-14h / 15-18h
Saturday and Sunday: Closed
Responsable: Ruedas Alex, S.L.U, siendo la Finalidad: gestionar el contacto entre cualquier interesado y nuestros servicios de atención. La Legitimación: es gracias a tu consentimiento. Destinatarios: no se comunicarán los datos personales a ningún tercero. Podrás efercer Tus Derechos de Acceso, Rectificación, Supresión, Limitación, Oposición y Portabilidad en rgpd@alex.es. Para más información consulte la Política de Privacidad.

Keep informed about all news, offers and promotions we have for you.