Manufacturers since 1958
Ruedas Alex

ZVI SERIES-TD 2-1719

See comparative
Code: 2-1719

Reinforced resine castors with stainless steel (AISI 304) components. Especially indicated to stand high temperatures and high-loads up to 600 Kg.

It is used in: furnaces and light machinery. Mainly used in the industrial sector, aeronautic sector and automobile factories, food industry, kitchens, vending machines, freezing chambers and stainless steel constructions.

Suitable for mechanical engineering projects by draftsmen and project executors.

TD: reinforced resine castor. Indicated to the industrial sectors.

Components

Brackets

Made of high-quality pressed stainless steel (AISI 304) up to 3 mm. Bracket made completely of stainless steel, corrosion-free, resistant to petrol, diesel,oils and grease. Manufactured to European standards EN 12530/12532.

Wheel

Resin wheel up to 200ºC when not in continuous use
Temperature range: -40º ÷ +200º
Rolling Resistence Very Good
Noise during the march Reasonable
Floor Protection Reasonable

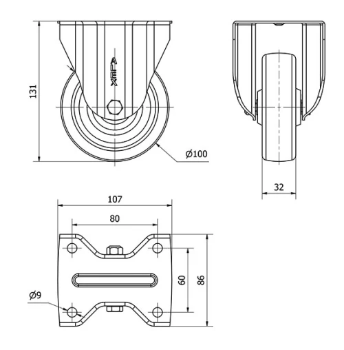
Technical Data 2-1719

EAN:
8422202217192
Housing Type:
Fixed
Fitting Type:
Plate
Braking System:
Without Brake
Material:
Phenolic Resin Wheel
Bearing:
Plain
Diameter (mm):
100
Width of tyre (mm):
32
Plate dimensions (mm):
107x86
Distance between holes (mm):
80x60
Plate hole diameter (mm):
8
Overall height (mm):
131
Load:
270
Unit Weight of the wheel (kg):
0,64
Volume (cm3):
1205
:
L
Technical Data 2-1719

Private area

Regístrate
Download in 3D formats
Download in 2D formats
DWG
Download PDF
PDF
Price
--

Similar products

Contact

Contact us

Send us the following form and we will contact you to answer your question.

Contact information:
Email: info@alex.es
Phone: (+34) 974 035 345
Opening hours:
Monday to Friday: 8-14h / 15-18h
Saturday and Sunday: Closed
Responsable: Ruedas Alex, S.L.U, siendo la Finalidad: gestionar el contacto entre cualquier interesado y nuestros servicios de atención. La Legitimación: es gracias a tu consentimiento. Destinatarios: no se comunicarán los datos personales a ningún tercero. Podrás efercer Tus Derechos de Acceso, Rectificación, Supresión, Limitación, Oposición y Portabilidad en rgpd@alex.es. Para más información consulte la Política de Privacidad.

Keep informed about all news, offers and promotions we have for you.