Manufacturers since 1958
Ruedas Alex

ZVI SERIES-FT 2-2685

See comparative
Code: 2-2685

Reinforced nylon castors with stainless steel (AISI 304) components. Especially indicated to support high-loads up to 600 Kg.

It is used in: outdoor areas, food trolleys, canteens, dining rooms, restaurants, food industry, logistics for military missions material, packaging machines, conveyor belts, stainless steel constructions, light machinery for the construction, containers, roll containers, transport cages, poultry farms, chemical industry, bakery machines, food chains, fridges, freezer cabinets and freezers.

Suitable for mechanical engineering projects by draftsmen and project executors.

FT: castors especially indicated for food and chemical industry applications. Does not leave marks on floor. Reinforced. High resistance to impacts and collisions.

Components

Brackets

Made of high-quality pressed stainless steel (AISI 304) up to 3 mm. Bracket made completely of stainless steel, corrosion-free, resistant to petrol, diesel,oils and grease. Manufactured to European standards EN 12530/12532.  

Wheel

Reinforced nylon (Polyamid 6) wheel, white colour
Temperature range: -30º ÷ +80º
Rolling Resistence Excelent
Noise during the march Reasonable
Floor Protection Reasonable

Technical Data 2-2685

EAN:
8422202226859
Housing Type:
Swivel
Fitting Type:
Plate
Braking System:
Without Brake
Material:
Nylon(Polyamide 6)
Bearing:
Plain
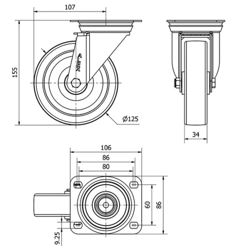
Diameter (mm):
125
Width of tyre (mm):
34
Plate dimensions (mm):
106x86
Distance between holes (mm):
86/80x60
Plate hole diameter (mm):
8
Offset (mm):
107
Overall height (mm):
155
Load:
350
Unit Weight of the wheel (kg):
0,835
Volume (cm3):
2133
Technical Data 2-2685

Private area

Regístrate
Download in 3D formats
Download in 2D formats
DWG
Download PDF
PDF
Price
--

Similar products

Contact

Contact us

Send us the following form and we will contact you to answer your question.

Contact information:
Email: info@alex.es
Phone: (+34) 974 035 345
Opening hours:
Monday to Friday: 8-14h / 15-18h
Saturday and Sunday: Closed
Responsable: Ruedas Alex, S.L.U, siendo la Finalidad: gestionar el contacto entre cualquier interesado y nuestros servicios de atención. La Legitimación: es gracias a tu consentimiento. Destinatarios: no se comunicarán los datos personales a ningún tercero. Podrás efercer Tus Derechos de Acceso, Rectificación, Supresión, Limitación, Oposición y Portabilidad en rgpd@alex.es. Para más información consulte la Política de Privacidad.

Keep informed about all news, offers and promotions we have for you.