Manufacturers since 1958
Ruedas Alex

ZVR SERIES-TA 2-3901

See comparative
Code: 2-3901

Cast iron castors, especially indicated to support high-loads up to 700 Kg.

It is used in: logistics transport tools, containers, industrial tansport, tool trolleys, food industry, logistics for military missions material, heavy machinery, mobile cranes, boilers, project executors, drafstsmen, mechanical engineering and repair shops.

Suitable for mechanical engineering projects by draftsmen and project executors.

TA: tough work conditions where the existence of cutting objects, chemical products or high temperatures could destroy other kind of castors. High load capacity.

For temperatures above 200ºC, load (Kg) should be reduced by 40%.

Components

Brackets

Made of pressed steel up to 4 mm. Double ball bearing reinforced with hardened ball races. Dust-proof cover in the swivel head bearing with grease nipple. Manufactured to European Standards EN 12532/12533

Wheel

Cast iron wheel
Temperature range: -40º ÷ +300º
Rolling Resistence Excelent
Noise during the march Sufficient
Floor Protection Sufficient

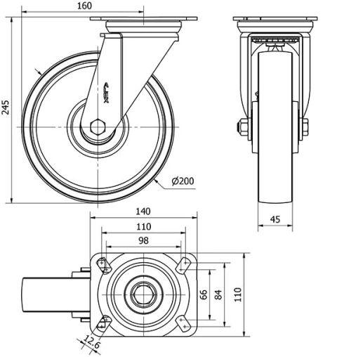
Technical Data 2-3901

EAN:
8422202239019
Housing Type:
Swivel
Fitting Type:
Plate
Braking System:
Without Brake
Material:
Cast Iron
Bearing:
Ball
Diameter (mm):
200
Width of tyre (mm):
45
Plate dimensions (mm):
140x110
Distance between holes (mm):
105x80
Plate hole diameter (mm):
10
Offset (mm):
160
Overall height (mm):
244
Load:
700
Unit Weight of the wheel (kg):
6,65
Volume (cm3):
5985,32
Technical Data 2-3901

Private area

Regístrate
Download in 3D formats
Download in 2D formats
DWG
Download PDF
PDF
Price
--

Similar products

Contact

Contact us

Send us the following form and we will contact you to answer your question.

Contact information:
Email: info@alex.es
Phone: (+34) 974 035 345
Opening hours:
Monday to Friday: 8-14h / 15-18h
Saturday and Sunday: Closed
Responsable: Ruedas Alex, S.L.U, siendo la Finalidad: gestionar el contacto entre cualquier interesado y nuestros servicios de atención. La Legitimación: es gracias a tu consentimiento. Destinatarios: no se comunicarán los datos personales a ningún tercero. Podrás efercer Tus Derechos de Acceso, Rectificación, Supresión, Limitación, Oposición y Portabilidad en rgpd@alex.es. Para más información consulte la Política de Privacidad.

Keep informed about all news, offers and promotions we have for you.