Manufacturers since 1958
Ruedas Alex

ZVR SERIE-DEGB 2-4373

See comparative
Code: 2-4373

Grey elastic rubber tyre (70º Shore A hardness) on aluminium centre. Especially designed to support heavy loads up to 450 Kg.

Used in: transport equipment, waste bins, industrial transport equipment, tool trolleys, mobile grandstands, food industries, military missions material, sweepers, polishers, heavy machinery, portable cranes, lift tables , metalwork industries and mechanical engineering. Mainly used in the aeronautic sector, railway and automobile factories and food industries.

Suitable for mechanical engineering projects by draftsmen and project executors.

DEGB wheel: perfect for medium duty loads' manual movement. Noiseless. Non-marking. High absorption to impacts and vibrations. Maximum equipment and floor protection. Perfect for uneven surfaces.

Components

Brackets

Made of pressed steel up to 4 mm. Double ball bearing reinforced with hardened ball races. Dust-proof cover in the swivel head bearing with grease nipple. Manufactured to European Standards EN 12532/12533

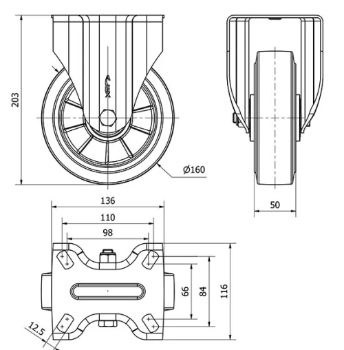
Technical Data 2-4373

EAN:
8422202243733
Housing Type:
Fixed
Fitting Type:
Plate
Braking System:
Without Brake
Material:
Rubber
Low Temperature (ºC):
-20
Maximum Temperature (ºC):
70
Bearing:
Ball
Color:
Gray
Diameter (mm):
160
Width of tyre (mm):
50
Plate dimensions (mm):
136x116
Distance between holes (mm):
105x80
Plate hole diameter (mm):
10
Overall height (mm):
203
Load:
350
Unit Weight of the wheel (kg):
2475
Volume (cm3):
3768
Technical Data 2-4373

Private area

Regístrate
Download in 3D formats
Download in 2D formats
DWG
Download PDF
PDF
Price
--

Similar products

Contact

Contact us

Send us the following form and we will contact you to answer your question.

Contact information:
Email: info@alex.es
Phone: (+34) 974 035 345
Opening hours:
Monday to Friday: 8-14h / 15-18h
Saturday and Sunday: Closed
Responsable: Ruedas Alex, S.L.U, siendo la Finalidad: gestionar el contacto entre cualquier interesado y nuestros servicios de atención. La Legitimación: es gracias a tu consentimiento. Destinatarios: no se comunicarán los datos personales a ningún tercero. Podrás efercer Tus Derechos de Acceso, Rectificación, Supresión, Limitación, Oposición y Portabilidad en rgpd@alex.es. Para más información consulte la Política de Privacidad.

Keep informed about all news, offers and promotions we have for you.