Manufacturers since 1958
Ruedas Alex

ZVR SERIES-HU 2-0415

See comparative
Code: 2-0415

Castors with steel centre and cast poluyrethane tyre with a hardness of 95º Shore A, especially indicated to support high-loads up to 700 Kg.

It is used in: logistics transport, containers, industrial transport, tool trolleys, mobile platforms, food industry, logistics for military missions material, sweeping machines, polishing machines, heavy machinery, mobile cranes, elevating tables, boilers, containers, project executors, draftsmen, mechanical engineering.

Mainly used in the aeronautic sector, railway, automobile factories, food industry, repair shops, industrial activities.

HU: High load capacity and absorption to impacts. Floor protection. Recommended for rough surfaces, broken, with metallic shavings, oil stains, broken glass, grease and gravel.

 

Components

Brackets

Made of pressed steel up to 4 mm. Double ball bearing reinforced with hardened ball races. Dust-proof cover in the swivel head bearing with grease nipple. Manufactured to European Standards EN 12532/12533

Wheel

Rolling Resistence Very Good
Noise during the march Good
Floor Protection Very Good

Technical Data 2-0415

EAN:
8422202204154
Housing Type:
Swivel
Fitting Type:
Plate
Braking System:
Directional Lock
Material:
Polyurethane
Hardness of tread:
95º SHORE A
Bearing:
Ball
Color:
Orange
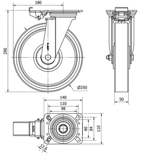
Diameter (mm):
250
Width of tyre (mm):
50
Plate dimensions (mm):
140x110
Distance between holes (mm):
110x84
Plate hole diameter (mm):
10
Offset (mm):
180
Overall height (mm):
296
Load:
700
Volume (cm3):
8140
Technical Data 2-0415

Private area

Regístrate
Download in 3D formats
Download in 2D formats
DWG
Download PDF
PDF
Price
--

Similar products

Contact

Contact us

Send us the following form and we will contact you to answer your question.

Contact information:
Email: info@alex.es
Phone: (+34) 974 035 345
Opening hours:
Monday to Friday: 8-14h / 15-18h
Saturday and Sunday: Closed
Responsable: Ruedas Alex, S.L.U, siendo la Finalidad: gestionar el contacto entre cualquier interesado y nuestros servicios de atención. La Legitimación: es gracias a tu consentimiento. Destinatarios: no se comunicarán los datos personales a ningún tercero. Podrás efercer Tus Derechos de Acceso, Rectificación, Supresión, Limitación, Oposición y Portabilidad en rgpd@alex.es. Para más información consulte la Política de Privacidad.

Keep informed about all news, offers and promotions we have for you.