Manufacturers since 1958
Ruedas Alex

HLB SERIES-DE 2-0452

See comparative
Code: 2-0452

Castors with aluminium centre and elastic black rubber tyre and a hardness of 70º Shore A. Especially indicated to support high-loads up to 500 Kg.

It is used in: carbody factories, internal logistics, transport tools, elevating platforms, transport carts, logistics for military missions material, heavy machinery, mobile platforms, sport centres, sweeping machines and polishing machines.

DE: ideal in the manual and noiseless displacement of medium-loads. Absorption to impacts and vibrations. High protection for floors and equipment. Ideal for uneven surfaces.

Components

Brackets

Heavy fabricated castor made of welded steel up to 8 mm. Painted black. Combination of thrust ball bearing and tapered roller bearing in the swivel head: the upper for axial eff orts and the lower for radial efforts. Grease nipples on the swivel head and the wheel. Manufactured to European standards EN 12532/12533.

Wheel

Elastic rubber tyre on Aluminium centre. 70º Shore A
Temperature range: -20º ÷ +70º
Rolling Resistence Reasonable
Noise during the march Excelent
Floor Protection Excelent

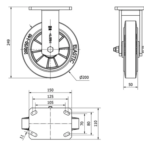
Technical Data 2-0452

EAN:
8422202204529
Housing Type:
Fixed
Fitting Type:
Plate
Braking System:
Without Brake
Material:
Rubber
Hardness of tread:
70º SHORE A
Bearing:
Ball
Diameter (mm):
200
Width of tyre (mm):
50
Plate dimensions (mm):
150x110
Distance between holes (mm):
105x80
Plate hole diameter (mm):
10
Overall height (mm):
249
Load:
450
Unit Weight of the wheel (kg):
4,012
Volume (cm3):
5478
Technical Data 2-0452

Private area

Regístrate
Download in 3D formats
Download in 2D formats
DWG
Download PDF
PDF
Price
--

Similar products

Contact

Contact us

Send us the following form and we will contact you to answer your question.

Contact information:
Email: info@alex.es
Phone: (+34) 974 035 345
Opening hours:
Monday to Friday: 8-14h / 15-18h
Saturday and Sunday: Closed
Responsable: Ruedas Alex, S.L.U, siendo la Finalidad: gestionar el contacto entre cualquier interesado y nuestros servicios de atención. La Legitimación: es gracias a tu consentimiento. Destinatarios: no se comunicarán los datos personales a ningún tercero. Podrás efercer Tus Derechos de Acceso, Rectificación, Supresión, Limitación, Oposición y Portabilidad en rgpd@alex.es. Para más información consulte la Política de Privacidad.

Keep informed about all news, offers and promotions we have for you.