Manufacturers since 1958
Ruedas Alex

HLB SERIES-FT 2-0469

See comparative
Code: 2-0469

Reinforced nylon castors, especially indicated to support high-loads up to 1.250 Kg.

It is used in: logistics transport tools, outdoor area, internal logistics, mobile platforms, elevating platforms, transport cars, logistics for military missions material, heavy machinery in the construction sector, mobile cranes and sport centres.

Mainly used in the aeronautic sector, railway and automobilie factories. Clean rooms.

FT: especially indicated for food and chemical industry applications. Does not leave marks on floor. Reinforced. Canning factories.

Components

Brackets

Heavy fabricated castor made of welded steel up to 8 mm.Painted black.Combination of thrust ball bearing and tapered roller bearing in the swivel head: the upper for axial eff orts and the lower for radial efforts.Grease nipples on the swivel head and the wheel.Manufactured to European standards EN 12532/12533.

Wheel

Reinforced nylon (Polyamid 6) wheel, white colour
Temperature range: -30º ÷ +80º
Rolling Resistence Excelent
Noise during the march Reasonable
Floor Protection Reasonable

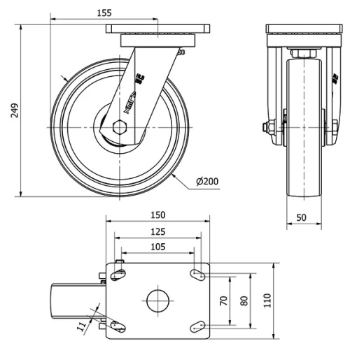
Technical Data 2-0469

EAN:
8422202204697
Housing Type:
Swivel
Fitting Type:
Plate
Braking System:
Without Brake
Material:
Nylon(Polyamide 6)
Bearing:
Plain
Diameter (mm):
200
Width of tyre (mm):
50
Plate dimensions (mm):
150x110
Distance between holes (mm):
105x80
Plate hole diameter (mm):
10
Offset (mm):
155
Overall height (mm):
249
Load:
1000
Unit Weight of the wheel (kg):
4,58
Volume (cm3):
6300
Technical Data 2-0469

Private area

Regístrate
Download in 3D formats
Download in 2D formats
DWG
Download PDF
PDF
Price
--

Similar products

Contact

Contact us

Send us the following form and we will contact you to answer your question.

Contact information:
Email: info@alex.es
Phone: (+34) 974 035 345
Opening hours:
Monday to Friday: 8-14h / 15-18h
Saturday and Sunday: Closed
Responsable: Ruedas Alex, S.L.U, siendo la Finalidad: gestionar el contacto entre cualquier interesado y nuestros servicios de atención. La Legitimación: es gracias a tu consentimiento. Destinatarios: no se comunicarán los datos personales a ningún tercero. Podrás efercer Tus Derechos de Acceso, Rectificación, Supresión, Limitación, Oposición y Portabilidad en rgpd@alex.es. Para más información consulte la Política de Privacidad.

Keep informed about all news, offers and promotions we have for you.