Manufacturers since 1958
Ruedas Alex

HLB SERIES-HG 2-3357

See comparative
Code: 2-3357

Castors with steel centre and black rubber tyre. Especially indicated to support high-loads up to 850 Kg.

It is used in: logistics transport tools, mobile platforms, equipments, cranes transporting heavy materials, elevating platforms, internal logistics and transport carts.

Mainly used in the aeronautic sector, railway and automobile factories.

HG: Castor suitable for mechanical traction. High protection of floors. Smooth and noiseless tread (elevating driving carts, trailers...). Industry in general.

Components

Brackets

Heavy fabricated castor made of welded steel up to 8 mm. Painted black. Combination of thrust ball bearing and tapered roller bearing in the swivel head: the upper for axial eff orts and the lower for radial efforts. Grease nipples on the swivel head and the wheel. Manufactured to European standards EN 12532/12533.

Wheel

Rubber tyre on cast iron centre with grease nipple
Temperature range: -20º ÷ +60º
Rolling Resistence Reasonable
Noise during the march Excelent
Floor Protection Excelent

Technical Data 2-3357

EAN:
8422202233574
Housing Type:
Swivel
Fitting Type:
Plate
Braking System:
Directional Lock
Material:
Rubber
Bearing:
Ball
Diameter (mm):
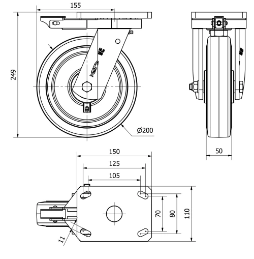
200
Width of tyre (mm):
50
Plate dimensions (mm):
150x110
Distance between holes (mm):
105x80
Plate hole diameter (mm):
10
Offset (mm):
155
Overall height (mm):
249
Load:
600
Unit Weight of the wheel (kg):
7,57
Volume (cm3):
6300
Technical Data 2-3357

Private area

Regístrate
Download in 3D formats
Download in 2D formats
DWG
Download PDF
PDF
Price
--

Similar products

Contact

Contact us

Send us the following form and we will contact you to answer your question.

Contact information:
Email: info@alex.es
Phone: (+34) 974 035 345
Opening hours:
Monday to Friday: 8-14h / 15-18h
Saturday and Sunday: Closed
Responsable: Ruedas Alex, S.L.U, siendo la Finalidad: gestionar el contacto entre cualquier interesado y nuestros servicios de atención. La Legitimación: es gracias a tu consentimiento. Destinatarios: no se comunicarán los datos personales a ningún tercero. Podrás efercer Tus Derechos de Acceso, Rectificación, Supresión, Limitación, Oposición y Portabilidad en rgpd@alex.es. Para más información consulte la Política de Privacidad.

Keep informed about all news, offers and promotions we have for you.